维博关注排行
产品描述:

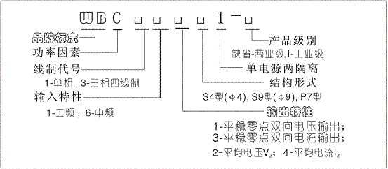
[型号说明]


[功率因数传感器型号及参数表(标准条件下测试)]
|
产品型号 |
精度等级 |
输出特性 |
输出标称值 |
负载能力 |
静态电流 |
结构类型 |
电源 |
产品级别 |
电压输入
标称值 |
电流输入标称值 |
|
WBC111S41 |
0.5 |
Vz |
2.5V±2.5V |
5mA |
21mA |
S4 |
+12V/+24V |
空 |
10V,50V,
100V,200V,
250V,300V,
380V,500V |
S4型φ4穿心输入:
0.5A,1A,2A,
3A,5A,8A
P7型φ7穿心输入:
0.5A,1A,2A,
3A,5A,8A,10A,
20A,30A
S9型φ9穿心输入:
5A,10A,
20A,30A,50A |
|
WBC111S91 |
S9 | |||||||||
|
WBC113S41 |
0.5 |
Iz |
12mA±8mA |
6V |
25mA |
S4 | ||||
|
WBC113S91 |
S9 | |||||||||
|
WBC311P71 |
0.5 |
Vz |
(0~5)V |
5mA |
35mA |
P7 | ||||
|
WBC312P71 | ||||||||||
|
WBC313P71 |
0.5 |
Iz |
(4~20)mA |
6V |
40mA | |||||
|
WBC314P71 |
定货型号应包括:传感器型号、输入/输出规格(标称值)、精度等级、电源等。例如:WBC113S91--10A(φ9)×100V/12mA±8mA--0.5--+12V
[功率因数传感器输入输出特性]

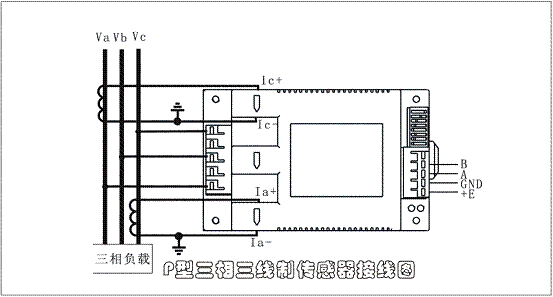
[产品接线图]


[结构尺寸]

京公网安备 11011202001138号
