在中央空调系统中,冷冻水泵和冷却水泵的容量是根据建筑物最大设计热负荷选定的,且留有一定的设计余量。在没有使用调速的系统中,水泵一年四季在工频状态下全速运行,只好采用节流或回流的方式来调节流量,产生大量的节流或回流损失,且对水泵电机而言,由于它是在工频下全速运行,因此造成了能量的大大浪费。由于四季的变化,阴晴雨雪及白天与黑夜时,外界温度不同,使得中央空调的热负荷在绝大部分时间里远比设计负荷低。也就是说,中央空调实际大部分时间运行在低负荷状态下。据统计,67%的工程设计热负荷值为94-165W/m2,而实际上83%的工程热负荷只有58-93 W/m2,满负荷运行时间每年不超过10-20小时。实践证明,在中央空调的循环系统(冷却泵和冷冻泵)中接入变频系统,利用变频技术改变电机转速来调节流量和压力的变化用来取代阀门控制流量,能取得明显的节能效果。

二、节能原理
由流体传输设备水泵、风机的工作原理可知:水泵、风机的流量(风量)与其转速成正比;水泵、风机的压力(扬程)与其转速的平方成正比,而水泵、风机的轴功率等于流量与压力的乘积,故水泵、风机的轴功率与其转速的三次方成正比(即与电源频率的三次方成正比)根据上述原理可知:降低水泵、风机的转速就,水泵、风机的功率可以下降得更多。例如:将供电频率由50Hz降为45Hz,则P45/P50=(45/50)3=0.729,即P45=0.729P50(P为电机轴功率);将供电频率由50Hz降为40Hz,则P40/P50=(40/50)3=0.512,即P40=0.512P50(P为电机轴功率)。
由以上内容可以看

出,用变频器进行流量(风量)控制时,可节约大量电能。中央空调系统在设计时是按现场最大冷量需求量来考虑的,其冷却泵,冷冻泵按单台设备的最大工况来考虑的,在实际使用中有90%多的时间,冷却泵、冷冻泵都工作在非满载状态下。而用阀门、自动阀调节不仅增大了系统节流损失,而且由于对空调的调节是阶段性的,造成整个空调系统工作在波动状态;而通过在冷却泵、冷冻泵上加装变频器则可一劳永逸地解决该问题,还可实现自动控制,并可通过变频节能收回投资。同时变频器的软启动功能及平滑调速的特点可实现对系统的平稳调节,使系统工作状态稳定,并延长机组及网管的使用寿命。
因此,随热负荷而改变水量的变流量空调水系统显示了巨大的优越性,因而得到越来越广泛的应用,采用变频器调节泵的转速,可以方便地调节水的流量,根据负荷变化的反馈信号经PID调节与变频器组成闭环控制系统,使泵的转速随负荷变化,这样就可以实现节能,其节能率通常都在20%以上。改造的节电率与用户的使用情况密切相关,一般情况下,春、秋两季运行节电率较高,可达40%以上,夏季由于用户本身需要的电能就大,可节省的空间有限,一般在20%左右。
三、节能方案
1、任达大厦现有中央空调为一套机组,有2台15KW冷却泵(一用一备),2台11W冷冻泵(一用一备),由于主机压缩机的改造空间不大,我们仅对冷却系统和冷冻系统进行节能改造。
中央空调实际运行时,冷却系统和冷冻系统的进、出水温差(△T)约为2℃,根据:
冷冻水、冷却水带走的热量(r)_= 流量(Q)×温差(△T)
我们可以适当提高温差(△T),降低流量(Q),也即降低转速,即可达到节能的目的。
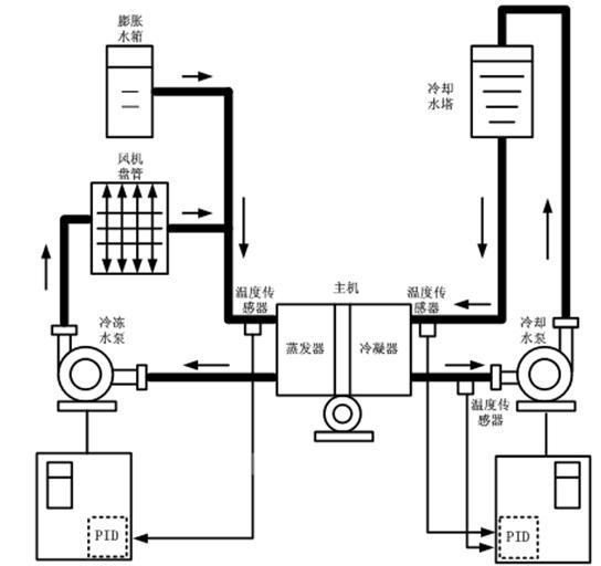
中央空调系统变频改造的原理示意图如下:

2、冷冻水系统
对于冷冻水系统,由于低温冷冻水温度取决于蒸发器的运行参数,只需控制高温冷冻水(回水)的温度,即可控制温差,现采用温度传感器、PID调节器和变频器组成闭环控制系统,冷冻水回水温度控制在T1,使冷冻水泵的转速相应于热负载的变化而变化。
3、冷却水系统
对于冷却水系统,取冷凝器两侧冷却水的温度作为控制参数,采用温度传感器、PID温差调节器和变频器及冷却水泵组成闭环控制系统,冷却水温差控制在△T2,使冷却水泵的转速相应于热负载的变化而变化,而冷却水的温差保持在设定值不变,使系统在满足主机工况不变条件下,冷却水泵系统节能最大。
4、控制方式
本方案在保留原工频系统的基础上加装,采用PLC进行泵的自动切换,并能监控用电时间及状况,配合加装电表可清楚的知道节电情况,方便开展合同能源管理(EMC)。
四、中央空调系统经变频改造后的性能
(1)采用变频器闭环控制,可按需要进行软件组态并设定温度进行PID调节,使电机输出功率随热负载的变化而变化,在满足使用要求的前提下达到最大限度的节能。
(2)由于降速运行和软启运,减少了振动、噪音和磨损,延长了设备维修周期和使用寿命,提高了设备的MTBF(平均故障维修时间)值,并减少了对电网冲击,提高了系统的可靠性。
(3)系统具有各种保护措施,使系统的运转率和安全可靠性大大提高。
(4)变频调速闭环控制系统与原工频控制系统互为互锁,不影响原系统的运行,且在变频调速闭环控制系统检修或故障时,原工频控制系统照样可以正常运行。
京公网安备 11011202001138号
