步进电机按照电机结构分为三种:永磁式(PM)、 反应式(VR)和混合式(HB)。
永磁式步进一般为两相,转矩和体积较小,步进角一般为7.5度 或15度;多半用于价格低廉的消费性产品。
反应式步进一般为三相,可实现大转矩输出,步进角一般为1.5度,但噪声和振动都很大。在欧美等发达国家80年代已被淘汰;
混进合式步进是指混合了永磁式和反应式的优点。它又分为两相、三相和五相:两相步距角一般为1.8度,三相步距角为0.9度,而五相步距角一般为 0.72度。混进合式步进是工业运动控制应用最常见的电机。
此外,按照电机驱动架构又可分为单极性 (unipolar) 和双极性 (bipolar) 步进电机。
单极性驱动电路使用四颗晶体管来驱动步进电机的两组相位,电机结构则如图1所示包含两组带有中间抽头的线圈,整个电机共有六条线与外界连接。这类电机有时又称为四相电机,但这种称呼容易令人混淆又不正确,因为它其实只有两个相位,精确的说法应是双相位六线式步进电机。六线式步进电机虽又称为单极性步进电机,实际上却能同时使用单极性或双极性驱动电路。

图1:单极性步进电机驱动电路
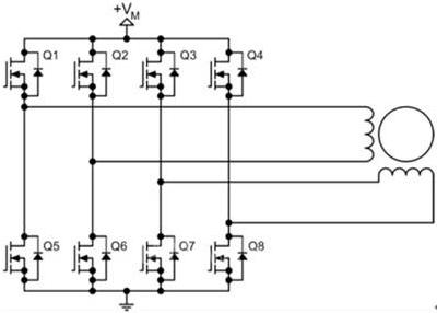
双极性步进电机的驱动电路则如图2所示,它会使用八颗晶体管来驱动两组相位。双极性驱动电路可以同时驱动四线式或六线式步进电机,虽然四线式电机只能使用双极性驱动电路,它却能大幅降低量产型应用的成本。双极性步进电机驱动电路的晶体管数目是单极性驱动电路的两倍,其中四颗下端晶体管通常是由微控制器直接驱动,上端晶体管则需要成本较高的上端驱动电路。双极性驱动电路的晶体管只需承受电机电压,所以它不像单极性驱动电路一样需要箝位电路。

图2:双极性步进电机驱动电路
京公网安备 11011202001138号
