软启动器启动完后是先把自己的电断掉,然后再去启动旁路?还是软启动在工作时,把旁路接通,旁路接通后再将软启本身导通切除掉?
我们软启动器的可控硅的触发角是从多少度到多少度?软起起动完成后会通过内部信号触发旁路接触器吸合,使主回路电流由晶闸管旁路到旁路接触器回路。
旁路接触器可分为内置和外置,其切换方式也有所区别。
以前的老型号多为外置旁路接触器(如3RW34/3RW22),这样就需要通过软起动器的外部旁路触点来触发外置旁路接触器线圈动作,即当起动完成后,旁路触点便会由常开变为常闭,此时旁路接触器就会吸合,主回路切至工频。
目前主流的软起动器多为内置旁路接触器(3RW30/3RW40/3RW44),如此当起动完成后软起动器通过内部信号直接触发内置旁路接触器吸合同时关断晶闸管,客户无需外部控制。但若需要特殊设计(如一拖多等)情况,则必须通过信号触点触发外置旁路接触器。
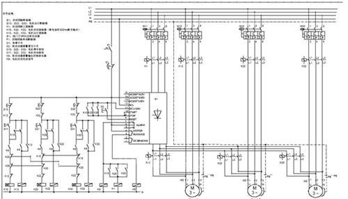
软启动器一拖三的原理图,这里概要地介绍一下其工作原理,对问题会有一定帮助。

以第一台电机为例,软启工作过程如下:按下启动按扭S11,软启在没Alarm报警时K8是得电吸合的,所以K8常开点闭合,K20、K30没启动(或已启动完成)不动作常闭,第一台电机的启动接触器K10(延时断开接触器)得电,K10常开点闭合,主接触器K1也得电闭合,软启启动第一台电机启动,电机启动完成后,K9闭合,K12得自保持电闭合,K10延时到达后断开,K1也断开,软启动器退出工作,不再供电,第一台电机由K12供电运行。可以接下来软启可以去启动第二或第三台电机。这样软启就能做到每次单独启动一台电机而不影响其它电机。
对于一拖一的软启动器启动完电机后,旁中接触器闭合工作,软启动器延时一小段时间后退出供电。当然,如果只是一拖一,只要软启动器的功率不小于电机功率,不用旁路接触器也完全没问题。
京公网安备 11011202001138号
