按照断路器采用的灭弧介质和灭弧方式可分为:多油式断路器、少油式断路器、压缩空气高压断路器、SF6断路器、真空断路器等。目前,新能源升压站建设中用的较多的是真空断路器和SF6断路器。在施工图设计过程中,针对35kV无功补偿的断路器是选用真空断路器还是SF6断路器的意见不一致。在风电场集中建设的时期,如何降低投资造价是各位业主尤其关注的交点,下面针对“35kV无功补偿的断路器选择是选用真空断路器还是SF6断路器”展开讨论。
1、无功补偿的分类:
无功补偿的常用装置有:同步调相机(较少使用)、静止补偿装置、静止无功发生器。
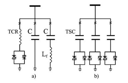
静止无功补偿装置(SVC)可分为电磁型和晶闸管控制型两大类。晶闸管控制型SVC主要类型有晶闸管控制电抗器(TCR)型、晶闸管投切电容器(TSC)型、以及这两者的混合装置TCR+TSC型和晶闸管控制电抗器与固定电容器的混合装置TCR+FC型、晶闸管控制电抗器与机械投切电容器的混合装置TCR+MSC型等。其中,TCR与TSC型原理图如下所示:

静止无功发生器(SVG)采用GTO构成的自换相变流器,通过电压电源逆变技术提供超前和滞后的无功,进行无功补偿。目前有直挂式和变压器式两种型式。直挂式SVG原理图如下所示:

SVG与SVC的最大区别是,无功调节不是通过控制容抗或感抗的大小实现的,因而,无需直接与系统连接的电容器或电抗器,不存在系统谐振问题,而且大大减小了设备的体积。相同容量情况下, SVG的体积约为SVC的三分之一。
2、高压断路器的选用:
高压断路器是一种专用于断开或接通电路的开关设备,它有完善的灭弧装置。断路器在开断交流电路时,随着电流每半周过零一次,电弧将自然暂时熄灭。过零后电弧是否重燃,取决于弧隙中游离过程和去游离过程的竞争结果。如果弧隙游离过程强于去游离过程,电弧就会重燃;如果在电流过零时,采取有效措施,加强弧隙的冷却,使弧隙介质的能力达到不会被弧隙外施电压击穿的程度,电弧就不会重燃而最终熄灭。
电流过零时电弧熄灭,而弧隙的绝缘能力要恢复到正常状态需要一定的时间,此过程为弧隙介质强度的恢复过程,以能耐受的电压即介质强度恢复电压ud(t)表示。而弧隙电压因电容、电感的存在,也需要经过电压恢复过程,以弧隙恢复电压ur(t)表示。断路器开断交流电路时,熄灭电弧的条件是ud(t)>ur(t)。
SVC无功调节是通过控制容抗或感抗的大小实现的,因电容器的存在,使得弧隙恢复电压瞬时较高,如高于介质强度恢复电压,电弧重燃,因电弧的重燃产生的能量比较大,很容易造成断路器的损坏或在系统中产生过电压。因此在开断电流能力相同的情况下,SVC应选用绝缘性能强,灭弧能力高的SF6断路器作为开断开关。
而SVG无功调节因无电容器的存在,可选用电弧电压低的真空断路器作为开断开关。
3、结论:
如采用SF6断路器,后期必须加装SF6监测装置,后期运行维护有SF6泄露的危险,且对环境及运行人员安全存在一定隐患,因此,如选用SVG无功补偿装置,在相同开断能力的真空断路器与SF6断路器,易选用在价格及运行维护均有优势的真空断路器。如选用SVC无功补偿装置,易选用绝缘性能强,灭弧能力高的SF6断路器。
京公网安备 11011202001138号
