背景及工作原理
针织大圆机,学名针织圆形纬编机(或者叫做针织圆纬机),是编织毛衫的主要设备,在织物编织过程中,采取圆周运动形式,通过选针来编织花型,编织花型的能力可以通过一定的选针方法达到较高的水平,通过选针以及针的不同走线速度实现自动化纺织,圆机最大的优点就是产量高,因此受到很多毛衫企业的青睐。

电气控制
1、 控制面板由微型计算机以及高度集成的控制电路组成,参数设定方便,按钮操作可靠,信息显示直观。
2、 变频器是电动机(马达)交流控制系统重要的部件,可通过控制输出频率达到改变电动机转速的目的。转速可调节范围广,启动、停止、慢行性能由参数设定,可以做到迅速、平稳,避免冲击。
3、电气控制箱内线路清晰有序,整个箱体在下脚内部,能有效的通风、防止尘埃。电气布线在隐蔽处,兼顾了美观和安全。
性能要求
织布时负载较重,点动/启动要迅速,要求变频器低频大转矩,响应速度快,采用矢量控制模式,以提高电机稳速精度和低频转矩输出。
目前大圆机有一套比较成熟的控制系统,基本上都是采用单片机控制,或者是PLC+人机界面控制。其对变频器的功能要求很简单,一般接端子控制起停,模拟量给定频率或者使用多段速给定频率。
大圆机工作时负载较重,要求点动或者低速运转要快速,因此机电驱动控制性能方面,要求变频器能够控制电机低频时产生较大的低频转矩。一般在大圆机应用上,变频器以无速率传感器矢量控制 (也叫开环矢量)模式运行。
工艺要求
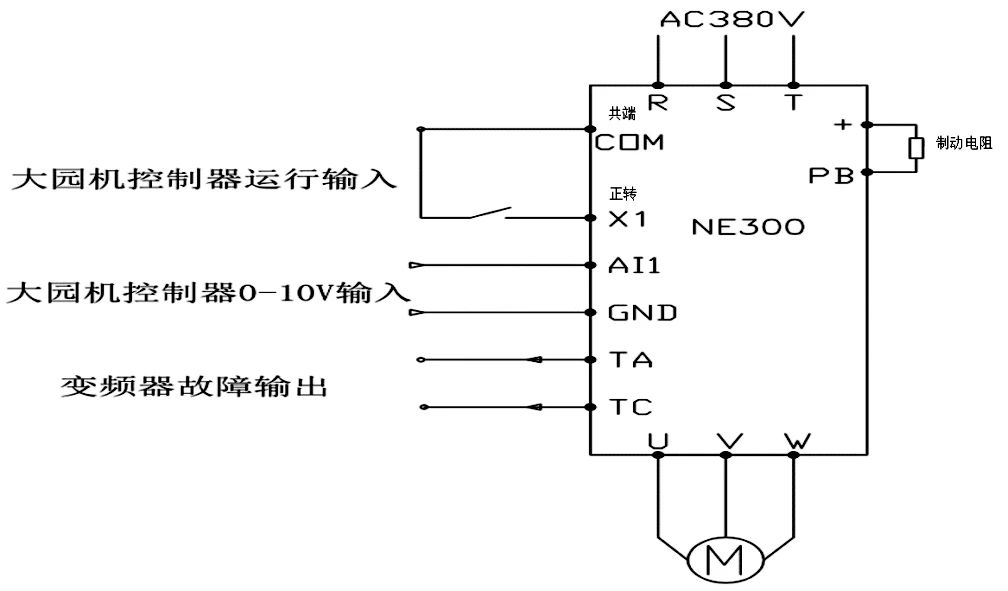
变频器控制接线

1、 要求变频器耐环境能力强。现场工作环境温度较高,且棉絮容易造成散热风扇堵转、损坏,散热孔堵塞。
2、 要求有灵活的点动运行功能,变频器响应速度快。
3、 在速度控制上要求有三个速度,一是点动运行速度,通常6Hz左右;二是正常织布速度,最高频率可达70Hz;三是低速收布运行,需要20Hz左右频率。
4、 在大圆机的运转中,绝对禁止电机反转和回转现象。
优势

1、 参数设置简单,调试方便快捷;
2、 良好的调速性能,低频扭矩特性好,开环矢量0.5Hz可输出150%转矩,具备良好的加载特性;
3、 变频器的平滑软启功能可减少设备对电网的冲击,优越的保护功能大大改善了客户设备的工艺,提高了产品的质量;
4、 拨插式风扇散热设计,易于维护,完全满足设备长期在高温环境中工作的要求;
5、 独立风道设计,适应恶劣环境;
6、 稳定性高,优化的EMC设计,适用于强干扰的工作环境。
(尼得科CT)
京公网安备 11011202001138号
