在国内矿山巷道、铁路和公路隧道、水利涵洞、各种地下工程、高层建筑基坑等的施工中,广泛采用了喷锚支护的工法,而凝土湿喷机是该作业中的主要设备。因此,这几年混凝土湿喷机市场出现井喷式发展。湿喷机行走形式主要有以下几种:轮式、车载式、拖式和轨道式。
本文以轮式湿喷机为例,介绍丹佛斯动力系统在这种轮式混凝土湿喷机上的系统解决方案。轮式混凝土湿喷机一般分为上装部分和底盘部分。底盘一般采用自行走式工程底盘,柴油发动机提供动力源。上装部分采用电机驱动进行湿喷作业,负责泵送、臂架控制等功能。
行走系统

轮式湿喷机行走系统示意图
轮式湿喷机采用的是一泵一马达桥驱系统。通过Danfoss的Automatic Control控制,使得操控机器如同我们开自动档汽车一样简单。通过读取发动机转速信息,设定发动机转速与油泵和马达的排量控制电流之间的曲线关系,实现整车在前进后退过程中操作的舒适性和平稳性。同时程序中还带发动机熄火功能、发动机超速保护、刹车灯蜂鸣器和故障状态报警功能以及SIL安全保护等功能,既满足功能要求,又具有很高的安全性。通过电控程序,能够方便地调节车辆的行驶特性,缩短整车开发周期。
四轮转向系统

湿喷机四轮转向系统
轮式湿喷机施工空间比较狭小,为了能满足这种特殊工况,前后车桥都带有转向连杆机构。与此同时,它还有多重转向模式可以选择,前轮转向,后轮转向,同步转向,蟹型转向。通过中间的换向阀不同位置实现不同转向模式。
推荐使用Danfoss S45系列负载敏感泵,加OSPC系列的转向器,实现低噪声、低泄漏、低扭矩,转向平稳,无凸点感,操作舒服。同时负载敏感系统发热更小,更节能。
泵送系统

轮式湿喷机泵送系统
湿喷机泵送系统分为开式系统和闭式系统两种。由于闭式泵送系统对油液清洁度以及换向控制精度比较高,同时价格上闭式系统比开式系统更高。所以下面以开式泵送系统为主来进行介绍。开式重载泵D1P泵采用电比例排量控制,负责给泵送主油缸供油,控制泵送混凝土速度;S45系列K2泵采用恒压控制,给S管的摆动油缸供油,系统中带蓄能器,保证摆缸迅速换向。两个回路中的换向阀以及水箱上接近开关组合动作实现正泵、反泵。
D1P泵属于高压重载系列开式泵,能够满足湿喷机恶劣的工况要求,比如高压力冲击、频繁换向、长时间恶劣工作环境下工作等。S45系列K2 30cc泵采用恒压控制,保证摆缸快速换向。
臂架系统

轮式湿喷机臂架控制系统
湿喷机臂架系统主要将混凝土、液态速凝剂、压缩空气送到喷射嘴,通过压缩控制将它们输送到作业面上。Danfoss S45系列LS控制泵加高精度PVG阀,控制转台回转、臂架动作,喷嘴回转摆动等等功能。
采用负载敏感系统技术,提高系统效率、降低功率消耗,通过带闭环控制的PVG阀组提供臂架控制的精度,让操作更精准,保证在隧道狭小空间中的安全性。与此同时PVE控制使得喷嘴刷动、回转、摆动等动作更均匀,更平滑。
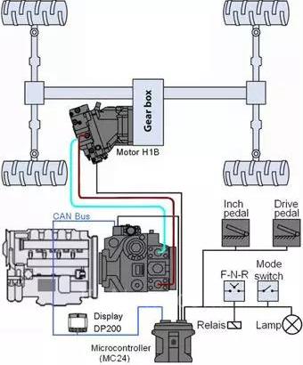
电控系统

电控系统
针对轮式混凝土湿喷机量身定制的电控系统,具有性能卓越、针对性强、适用面广、可靠性高等多种优点。
丹佛斯动力系统能够给湿喷机提供一套完整液压系统解决方案,既满足客户个性化的需求,又帮助客户将产品快速推广到市场,赢得市场先机。
京公网安备 11011202001138号
