一、升降机简介
施工升降机是现代高层施工中必不可少的重要运输设备。特别是在高层、超高层建筑施工中担任了极其重要的任务,对于保证施工工期与安全,降低施工成本,减轻劳动强度起着不可替代的作用。升降机按其构造不同分为单笼式升降机(适用于输送量较小的建筑物)和双笼式升降机(适合输送量较大的建筑物)。升降机一般有钢结构、传动系统、电气设备以及安全控制系统组成。

图1 施工升降机结构
1—地面防护围栏门;2—开关箱;3—地面防护栏;4—导轨架标准节;5—吊笼门;6—附墙架;7—紧急逃离门;8—层站;9—对重;10—层门;11—吊笼;12—防坠安全器;13—传动系统;14—层站栏杆;15—对重导轨;16—导轨;17—齿条;18—天轮
传统的工频升降机控制方案有如下缺陷:
1.采用接触器控制,运行速度单一,一般速度为30~50m/min,运行速度低,影响施工速度和施工企业效益,对高层建筑此问题表现突出。但如果单纯提高速度会造成加速度过大,结构和机构所受冲击过大而加快齿轮齿条及制动盘的磨损,降低运行可靠性和增加维护成本。
2.启动冲击大,对结构和机构损坏较严重。
3.普通施工升降机采用机械抱闸强制制动,升降机从高速突然降到零速,由于惯性作用,强制抱闸对结构和机构冲击大,载人舒适度差,载货料冲击大。
4.一般采用直接启动或者星三角降压启动,启动电流大,对电网冲击大,影响其他设备的正常运行。
5.负载变化造成停位不准确,对司机经验要求较高。
6.普通升降机减速到平层时无爬行过程,有运行速度直接向零速减速,升降机的平层是靠司机目测手动控制实现,效率低,经常要上、下点动几次才能准备平层。
变频升降机的优势:
1.效率高,最高运行速度可达到传统升降机的两倍。
2.无极调速有效解决结构和机构的冲击,延长齿轮、齿条、滚轮等机械结构的使用寿命。
3.变频器的软启动功能,降低了电机启动时对电网的冲击电流,缓解了用电设备间的相互影响。
4.可选择的加减速曲线,保证人乘坐的舒适感和减少载货时的冲击;可调节加减速时间和运行频率,确保升降机的准确平层,降低对司机的要求。
5.省电节能。软启动停止和提高运行效率,消除制动冲击,也大大节省了升降机的能效。
6.采用变频器减少了升降机的设备维护成本,为企业带来了经济效益。
变频调速选型方案

二、现场机器及工艺介绍
施工升降机从传动方式分为齿轮式和绳吊式,从结构分为单梁升降和双梁升降机,从电气控制方式分为一拖二(两台电机驱动,一台变频器控制)和一拖三等方式。我们调试的升降机是齿轮式单笼一拖二式升降机,型号为SC200。
SC200参数:

工艺要求:
1.启动平滑,安全舒适。要求在施工升降机的4个运行阶段启动平滑,安全舒适;
2. 一档速度为20m/Min(20HZ),二档运行速度为42m/Min(50HZ);
3.不能产生任何溜钩等不安全因数;
4.尽量少有报警故障等现象;
5.能够节能运行。
三、调试方法和调试情况
1.调试方案:
采用V560-4T0300一拖二的控制方式。(即V560-4T0300 采用V/F控制同时驱动2台12KW的电机),系统外置电磁制动器,由变频器控制制动器的松闸和抱闸信号。
2.系统配置:

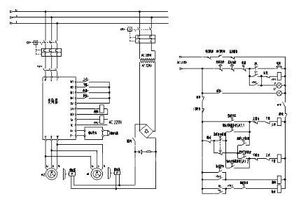
3.调试接线图:

4调试步骤:
(1)根据电气原理图的要求接好主电路、控制回路线路
(2)在检查接线正确完成后,设置基本运行参数,例如端子启动、根据系统现场要求的启动频率,运行频率。
(3)设置松闸和抱闸频率。设置原则是从高往低设置(一般是从8HZ以下),设置频率需要平衡三个要素,第一个是松闸不溜钩(即频率不能设置太小);第二松闸或者抱闸瞬间电流不易太大(冲击电流稳定在1.5倍的额定电流以内),这需要松闸抱闸频率不易太大;第三个需要考虑启动和抱闸的舒适性,这个要求抱闸或者松闸的频率不宜过大。综合这三个因数来匹配参数。
(4)在优化好松闸和抱闸频率后,然后优化正常运行时的电流稳定参数(例如自动稳压功能)和平衡下降过程中过压报警和制动电阻发热情况。
5.调试参数:

6.调试情况
这是与某品牌专业变频器的对比情况

四、总结
从现场对比情况来看,V560系列变频器在升降机的启动平稳性、节能性以及安全运行方面都是具有一定优势的。目前在全国各地使用几十百余台,反应使用效果都常好,得到客户的一致认可。
京公网安备 11011202001138号
