【摘 要】:本文主要介绍英威腾IPE200变频器在某新建钢铁铸造项目回转窑上的应用,并介绍IPE200变频器特点和性能。在生产、设备运行、维护等方面都达到了满意效果。
【关键词】:回转窑 IPE200变频器
1. 引言
回转窑在水泥、冶金等行业运用广泛,回转窑作为煅烧的窑炉,随着钢铁冶炼工艺发展的需要,它在满足钢铁冶炼需要的同时,亦在其它行业中充分地体现出了它在大工业生产中的优越性和可持续发展的远景。
回转窑在运行时负荷变化剧烈、启动转矩需求大、工艺上要求进行调速。早期的生产线上一般使用的是直流电机、滑差电机或绕线式电机,该种电机在生产中最大的问题在于结构复杂,维修难度高。近几年企业在回转窑上通常选择交流变频器调速。
江苏某钢铁公司新厂扩建过程中,购买我司IPE200变频器用于控制回转窑主传动,以下简略介绍我司变频器IPE200在回转窑运用的特点。
2. 回转窑主传动分析:
回转窑有主传动系统和辅助传动系统,下面介绍一下回转窑的两大传动系统及其作用:
(1)主传动系统是由主电动机、主减速器、齿轮齿圈、筒体构成。
(2)辅助传动的作用是当主电动机或主电源发生故障时定期转窑,以免回转窑筒体因上下有温差造成弯曲,并确保在砌砖或检修时使筒体能停留在某个指定的位置。
回转大窑负载具有如下特点:长时间停车后,起动时窑体在受热后变冷发生变形,轴承润滑程度等完全和运行时是不同的。另一方面,在起动时回转窑内的物料偏移处于正下方,整个窑体及窑内的物料惯性大,那么这时需要的惯性是最大的。回转窑一旦克服了这种大惯性负载而起动起来,维持正常运转所需的驱动能量及转矩就很小了。
回转窑虽然属于恒转矩负载特性,是指在起动后运行正常条件下的特性,但在起动时至正常运行过程中,转矩T max远远高于运行时转矩T run。

图1 回转窑负载特性
所以,根据回转窑的这种负载特点,选择变频器及电动机的功率就比较复杂,就变频器而言,能够克服窑体堵转转矩和窑内物料最高时转矩,使回转窑顺利起动就显得非常关键了。
对于变频器的选择要充分考虑以下两点:
1). 如果选择过大,一旦克服了回转窑的大惯性负载而起动起来,维持正常运行所需的功率和转矩变得较小,投资和能耗会加大。但正常运转时出现大马拉小车现象,能耗大,一次性投资加大;
2). 如果选择过小,虽然可以维持正常运行,但起动非常困难,甚至无法顺利起动,造成变频器选择失败。因此,所选变频器的最大输出转矩应大于回转转矩Tmax。
3. 回转窑主传动变频器配置:
3.1 工艺配置要求
1) 主传动装置采用两台电机同步拖动的方式,电机之间的负载和转速需要保证完全一致,否则可能出现传动不稳定的情况;
2) 主传动、冷却风机、辅助传动电机进行联锁,主电机与辅助电机之间设置联锁,不得同时运行;主(辅)电机与主减速机的压力润滑电机之间设置联锁装置,润滑电机未启动时主(辅)电机不能启动,润滑电机停止运行时主(辅)电机自动停运;减速机、托轮轴承组、挡轮液压站的油温≤25℃时,开启电源时主(辅)电机不能启动,各加热系统自动供电(当油温达到43℃时自动断电),当油温达到25℃时方能启动主(辅)电机。

图2 回转窑现场图片
3)主传动电动机参数如下:
380V,50HZ,200KW,额定电流:358A,1380r/min,西门子电机厂制造;
4)主传动变频器配置:
回转窑主传动变频调速系统的核心问题是主传动两台电机的转速同步和转矩平衡问题。在实际应用中,考虑到故障停机后需要满载启动的情况,选用变频器时首先需考虑矢量控制型变频器。同时又要求变频器具备很好的主从控制功能,对此IPE200系列变频器便是其最佳选择。最终选型为IPE200-280G-4。
回转窑负载惯性很大,因此启动时可能会振荡,电动机减速时有能量回馈。应该用容量稍大的变频器来加快启动,避免振荡。从成本上考虑,配合制动单元消除回馈电能。
IPE200系列变频具备以下突出性能:
(1) 起动转矩:0.5Hz/150%(SVC);0 Hz/200%(VC)
(2) 过载能力:150%额定电流60s;180%额定电流10s;200%额定电流瞬时;
(3) 调速比:1:100(SVC);1:1000(VC)
(4) 速度控制精度:±0.5%最高速度(SVC);±0.1%最高速度(VC)
(5) 可支持电机温度检测;
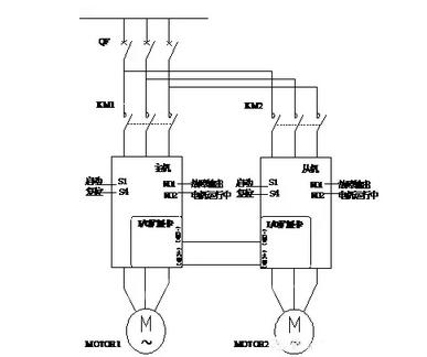
3.2 主传动变频器原理图:

图3 回转窑主传动IPE200主从原理图

图4 回转窑主传动电气原理图
3.3 主传动现场调试
3.3.1 调试主要包括参数自学习、空载调试及带载调试几个阶段。
3.3.2 电机参数自学习及空载调试:把电机和减速机脱开,进行旋转参数自学习。首先确认电机类型,然后输入电机的额定参数,通过设置P0.17=1,然后按RUN开始自学习。先在V/F模式开机试运转,观察从0-50HZ运行平稳。再分别在无PG矢量模式下和有PG矢量模式下,在0-50HZ之间运行观察电机电流平稳。
3.3.3 因为本现场电机配有编码器,主传动变频器最终工作在有PG矢量模式;
带载调试:先将变频器带轻载在25HZ运行,查看输出电流、电压、转速是否符合要求,然后在50HZ运行。若轻载过程均正常的时候便可以进行正常生产过程的带载调试。经过调试,负载电流稳定在95-115A之间。

图5 两台变频器输出电流
3.4 主传动变频器IPE200参数设置:

表一 主机主要参数表

表二 从机主要参数表
4. 结束语
回转窑主传动采用英威腾IPE200变频器驱动后,运行情况良好,主要体现在以下的优点:
1. 速度同步,电流均衡。从机输出转矩跟主机相同,电流相当。从键盘上看主机和从机电流显示几乎没有差异。从机不会出现与主机速度不匹配而导致过压的现象。
2. 优异的软起/停特性。加/减速时间(0-60min)连续可调,并可实现S型加减速,有效降低启停冲击。
3. 重载启动平稳。回转窑主传动运行过程中任意时刻停机再重新启动均无问题,低频运转最大可输出1.5倍额定转矩。
IPE200交流传动系统在回转窑的成功运用,也是国产变频器在冶金企业生产线运用的尝试,IPE200以其高性能的控制技术和完善稳定的功能在现场调试中都得到了证明。从运行效果来看,完全能够满足工艺的要求。
京公网安备 11011202001138号
