摘 要:本文介绍了风光牌中压变频器在正兴煤业主扇风机上的应用情况。应用结果表明,采用中压变频器对煤矿主扇风机设备进行调速节能改造,具有良好的经济效益和社会效益。
关键词:中压变频器 主扇风机 应用
1、引言
随着我国经济的发展,各行各业煤炭的需求量也越来越大,各大型煤炭企业纷纷开辟新的矿井来扩大规模,并且利用各种技术降低生产成本,因此变频器在煤炭行业的需求也就越来越大。
主扇风机是煤矿通风系统中最重要的一部分,它可以说是每一个井下工作人员的呼吸要道,因此它也是煤矿安全生产中最重要的一个环节。长期以来,矿井主扇风机的功率都比较大,而且一天24小时不间断运行,矿井所需的风量都是通过调节风门挡板或叶片角度来实现,根据反风及开采后期运行工况要求,所设计的通风机及拖动的电动机的功率,通常远大于煤矿正常生产所需的运行功率。风机设计上余量特别大,在相当长的时间风机一直处在较轻负载下运行,因此,煤矿通风系统中存在着极为严重的大马拉小车现象,能源浪费非常突出。
2、用户介绍
山西焦煤集团正兴煤业有限公司于2009年8月由山西焦煤集团投资有限公司作为主体企业,重组整合偏关县五座煤矿而成,下有九鑫矿、闫家沟矿两座矿井。九鑫矿生产能力为120万吨/年,其主扇风机担负着整个矿井的通风任务,要求安全稳定性极高,因为风机一旦停机,短时间内就将造成全矿无法正常生产,控制方式采用调节风门开度的大小来调整风量,这样,不论生产的需求大小,风机都要全速运转,而运行工况的变化则使得能量以风门节流损失消耗掉了。不仅控制精度受到限制,而且还造成大量的能源浪费,从而导致生产成本增加,设备使用寿命缩短,设备维护、维修费用高居不下,针对这种情况,矿领导经过论证,最后决定选用山东新风光电子科技发展有限公司生产的JD-BP34系列中压变频调速器4套对主扇风机进行控制,改造取得了成功。
九鑫矿主扇风机为两台,一用一备,现场1#、2#通风机设备参数相同,下面表1、表2给出1#风机基本参数。现场主扇风机如图1所示。



3、风光牌JD-BP34-270F中压三电平变频器介绍
风光牌JD-BP34-270F中压三电平变频器采用高速DSP和CPLD芯片作为主控器件,主电路采用三电平或称中点箝位拓扑结构。友好人机界面可以设置各种参数及实时监测运行状态。国内第一个成功研制三电平变频器的厂商,产品荣获山东省科技进步奖。
3.1 产品性能特点
(1)主电路采用三电平或称中点箝位拓扑结构,不但能输出较高电压,而且能降低输出电压谐波成分和电压变化率dv/dt,输出波形良好。
(2)输出端采用三相RLC低通滤波器,将变频器输出的三相SPWM波滤成正弦波,有利于保护电机。
(3)采用先进的高速DSP和CPLD芯片作为主控器件,保证变频器的稳定运行。易于操作的人机界面可实现各种参数的设置及运行状态的监控。
(4)不受电网波动影响,电机侧电压稳定。增加低频启动电压可以补偿线路损耗,适应远距离传输(最远达3000m以上)。
(5)保护功能齐全。设有过压、欠压、硬件过流、2倍过流、过载、欠载、温升过高及失速等保护,并配有电机保护仪,变频器一旦保护,会立即保存故障数据,便于查找分析,有效保护变频器及电机。
(6)内置PID调节器,可开/闭环运行。
3.2产品技术规范


3.3风光牌JD-BP34-270F中压三电平变频器有关设计
本文仅对该变频系统的技术特点简述如下,与380V级通用变频器相同部分不再赘述。
(1)主电路与功率器件的选择
在PWM电压型380V级变频器中,一般采用两电平电路。若用两电平电路实现1140V的输出势必要用昂贵的高压管或采用低压管串联结构,由于器件串联动态均压问题不易解决,应尽量避免。
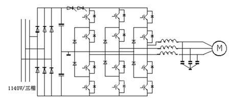
本设计的整机方块图如图2所示。

图2 整机主回路
其中主电路部分采用三电平电路或称中心点部位(NeturalPointClamped-Npc)方式,它不但能输出较高电压,而且能降低输出谐波和电压变化率(dv/dt),良好的波形正是本设计的目标之一。图中的功率开关器件选用西门子的双单元IGBT模块(300A/1700V),采用两模块并联,整流桥采用300A/1600V双单元,整流后由两组大电容器相串联组成滤波器,电解电容采用10000UF/400VDC,六串四并,如图电容器的连接点即本电路的中心点(三电平的中间电平)。主回路可控硅延时导通,选用350A/1600V的模块。
(2)载波频率的选择
提高载波频率对改善波形、降低噪声大有好处,可是载波频率提高,会使开关损耗增加,所以选择时必须权衡利弊,本设备中载波频率选为2.0kHz,选择这个值时考虑到了输出端LC低通滤波器电感铁芯的重量因素。
(3)变频器有关参数设置如表4所示。

4、改造主回路控制方案
正兴煤业九鑫矿主扇风机为两台,一用一备。风机电机变频器采用一拖一控制,风光中压变频调速系统由一次回路进线柜、变频单元柜组成。变频运行时,变频器为电机提供全面的保护。如果变频器在运行中出现故障,立即将备用风机投入运行,保证煤矿通风生产要求。1#风机中压变频器柜一次回路如图3所示。

DL:用户负荷开关
1#、2#BPQ:JD-BP34-270F中压变频器
D:220kW/1140V异步电动机

图4 中压变频器运行照片

图5 人机界面运行图
5、 现场应用情况
正兴煤业九鑫矿主扇风机选用型号JD-BP34-270F风光变频器4套,于2012年7月2日一次性投运成功。变频运行后,风门全部打开,运行频率26Hz左右,不仅完全满足煤矿生产工艺要求,而且用户操作非常方便。变频器运行稳定。变频器现场运行如图4所示,人机界面运行如图5所示,变频器运行参数记录如表5所示。

风机采用变频器改造投入运行后,输入电流从72A下降到30A左右,风机电机功率从113.7kW下降到56.9kW,节电率为(113.7kW-56.9kW)/113.7kW=50%。
变频改造的其他优点:
(1)采用变频器后启动风机时可以实现变频软启动,避免了启动电流对电网及控制设备的冲击,可以有效地延长电气设备的使用周期。
(2)按需调节风量,调速范围宽且调速精度高,避免浪费。进行变频改造后,风机的风量不再需要通过改变叶片角度来调节,而是由变频器通过调节电机的转速来实现,调节线性度好,因而可以根据井下生产需要随时调节风量,避免了浪费。
(3)降低了风机的工作强度,延长了使用寿命。进行变频改造后,风机的大部分时间工作在低速状态下,因而大大降低了风机的机械强度和电气冲击,大大延长了风机寿命,提高了风机的安全运行系数和运行周期。
(4)变频器具有短路、过载、过压、欠压、缺相等各种保护,有效地保护了电机。
(5)改善了现场工作环境,由于降低了风机的转速,风机噪声大大降低,深受现场工作人员的欢迎。
(6)减少了反风中的操作环节,以前反风需要操作系统的立式风门、水平风门以及反风风门,工序繁多而且经常出现倒错风门的事故。现在使用轴流式风机和变频器控制后,反风时极其简单,只要在人机界面上将运行频率调整为负的频率,电机就会先减速至零点然后再反转到所调频率,这期间不用再调整整个风门系统,减少了工作量,降低了操作过程中的故障率。
6、结束语
正兴煤业九鑫矿主扇风机经过变频改造之后,不仅达到了良好的节能效果,并且使整套通风系统的稳定性提高了一个大台阶。随着国家对节能减排工作的越来越重视,煤矿企业通过各种措施降低生产成本,其中变频技术起到了关键作用,取得了明显的经济效益和社会效益,适应了国家建设资源节约型社会的潮流。
京公网安备 11011202001138号
