前言
矿井提升机是煤矿安全生产的关键设备之一,其作用是提升煤炭、矸石,升降人员和下放物料等,在整个煤矿生产中占有十分重要的地位。矿井提升机的安全、可靠、高效、准确平稳运行,集中体现在其电气控制系统中,电控系统性能的优劣直接影响全矿的安全生产和矿工的生命安全。
目前在矿井提升机领域应用较多的是异步电动机的交直交变频(200kW~2000kW)和大惯量低速直驱同步电机的交直交变频(2000kW~8000kW),随着矢量控制技术日益成熟,提升系统中交流同步电动机的变频调速性能指标日趋完善,逐步取代了以往的直流调速,成为大型矿井提升机控制的主流解决方案。
HIVERT-TVF系列变频器专用于低速同步电机的矿井提升系统。目前单机最大功率可做到4500kW,单电机功率等级有一定的技术限制,用两台电机同步驱动一个滚筒可以使提升功率加倍。合康变频在低速大功率双电机联动直驱提升系统中已成功运行,现场配置两台3200kW同步电机,共同驱动多绳摩擦式提升机,至今应用情况良好。本文就合康高压同步矢量变频器在蒙大矿业双电机联动直驱提升系统上的应用进行简单介绍。

图1 变频器现场图
一、现场情况
乌审旗蒙大矿业有限公司位于蒙陕交界区鄂尔多斯市乌审旗无定河镇,是中煤集团控股、远兴能源参股的央企。变频设备自2011年5月投运,稳定运行至今。现场概况,变频器室如图1、主井井塔如图2、两电机与滚筒连接如图3。

图2 井塔提升机外景图

图3 提升机结构图
蒙大矿业年产原煤5.0 Mt,主井提升系统安装一套容积均为40t的双箕斗,担负着全矿的原煤提升任务;提升系统主机参数、运行参数为:设备是多绳摩擦式提升机,主机型号是JKM-5.0×6(III),摩擦滚筒直径5米,导向轮直径5米,首绳摩擦钢丝绳是6根,尾绳是3根;正常最大提升速度11.78米/秒,最大静张力差500kN,井筒直径6米,提升井深580.5米,两台同型号交流调速同步电机数据详见表1。

表1:交流调速同步电机数据
二 、双电机联动直驱的构成
双电机联动直驱是由两台同步电机的转子与滚筒用一根轴连接在一起,滚筒在中间,电机分别在滚筒两侧,详细描述及图示如下。
(一)左侧电机、中间滚筒、右侧电机,如图3;
(二)电机、滚筒相互之间通过大轴直连,如图4、如图5;

图4 提升机左侧电机图

图5 提升机右侧电机图
(三)导向轮可增加钢丝绳的摩擦力、调整箕斗运行方向、调节多绳之间的间距,如图6。

图6 导向轮
(四)提升系统的两箕斗,额定提升重量为40吨,最大负荷50吨。如图7。

图7 箕斗
(五)制动系统采用ABB双闸盘液压盘式制动器,且对称安装,根据现场需求采取工作制动和安全制动,如图4、图5为ABB盘式制动器分部。
三、双同步电机提升系统方案
(一)两台同步电机联动直驱变频调速
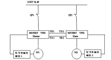
现场由两台独立的变频器分别驱动两台同步电机,这种方式可提高系统整体驱动能力。单台电机的驱动功率为3200kW,两台电机共同直驱一个滚筒,相当于提升机功率提高一倍。两台变频器分为主、从变频器,变频器之间通过光纤通讯方式保证变频器的同时启停控制。光纤通讯不受外界干扰,通讯速度高,能更好地实现转速、转矩控制,达到功率平衡。
在系统待机的情况下,两台变频器可以进行主、从控制交替变换,即可以将主变频器驱动改为从变频器驱动,同时也可以将从机驱动改为主机驱动。双电机联动直驱提升系统的好处在于:当一台变频器或电机出现故障时,另一台变频器仍可以全载半速运行,为煤矿的不间断生产提供保障。电气系统结构,如图8。

图8 电气系统结构图
(二)传感器信号反馈装置
在电机转子端装有高分辨率的绝对值编码器,该编码器负责检测同步电机的速度、位置数据,并实时传输给控制器,以完成同步矢量闭环控制。高分辨率绝对值编码器的信号是13位并行信号,它通过信号控制器组件,将并行信号转换成可以长距离传输的高速串行信号,实现了速度、位置的实时监控。传感器信号反馈装置连接,如图9。

图9 绝对值编码器位置信号传送装置
四、蒙大矿业双电机联动直驱的应用
(一)变频器的选型
根据提升机系统运行数据计算单台变频器的最大功率,最大正常运行负载40吨,电机角速度4.71弧度/秒,加速时间16.8秒,双侧空箕斗运行时提升系统总变位质量317848kg;计算步骤如下:
转动惯量
加速扭矩
单台加速功率
单台恒速功率
单台最大功率
通过以上运算,我们选用两台变频器的型号为:HIVER-TVF 10-06/500,其中单台变频器输出电流为500A,容量5000kVA,输入电压10.5kV,输出电压6kV,满足现场工况需求。
(二)两台变频器的现场控制
一台控制系统控制两台变频器,使其适应提升机的各种工作情况,变频器按照预定的指令实现起动、运行、减速、低速爬行、停车、制动等。提升机电控系统与两台变频器的电气连接,如图10。
在提升机系统全速全载运行中,变频器1与变频器2同时驱动两台同步电机带动滚筒转动,电机尾部装有测速机,测试电机运行速度并反馈给电控系统,提升箕斗满载40吨时,速度是11.78m/s,加速度是0.7m/s2 ,每台变频器的输出电流为250A,电压5980V;当全载半速运行时,即用单台变频器驱动单台同步电机带动滚筒转动,提升箕斗满载40吨时,速度是5.6m/s,加速度是0.2m/s2 ,变频器的输出电流为500A,电压3700V。保证了当一台变频器或电机出现故障时,另一套驱动系统可以全载半速运行,使故障的驱动系统迅速投入检修状态。

图10 提升机电控系统、变频器、电机的电气连接
每台变频器与电控都有输入信号、输出信号。
变频器输入信号:1、合闸允许 2、分闸信号 3、模拟给定(4~20mA) 4、正向启动 5、反向启动 6、远程复位;
变频器输出信号:1、频率输出(4~20mA) 2、电流输出(4~20mA) 3、运行指示 4、主从切换 5、故障输出;两台变频器之间通过光纤进行通讯,如图10。
(三)现场全速全载运行曲线
如图11、12左侧,曲线含义由左至右分别为:
A、白色,BLX,提升机运行速度保护线;
B、蓝色,give,提升机速度给定线;
C、绿色,CS,1#电机测速机速度反馈线;
D、黑色,GBP,2#电机测速机速度反馈线;
E、暗红色,m,箕斗深度指示曲线(0~590m);
F、红色,1#A,1#电机电流曲线;
G、黄色,1#A,1#电机励磁电流曲线;
H、紫色,2#A,2#电机电流曲线;
I、桃红色,2#A,2#电机励磁电流曲线;
由图可知,两变频器运行具备如下特性:
1、两变频器控制输出电流平衡:图中两电机运行电流曲线,E、F曲线拟合在一起,在整个运行周期内,两电机电流相等,输出力矩一致。运行周期曲线中加速段两电机电流最大360A,恒速段两电机电流260A,减速段两电机电流曲线变化相同,即两变频器运行输出电流相等。
2、电机励磁为恒励磁控制:见G与I曲线,提升负载整个运行周期内,两电机恒磁,励磁电流为320A,两同步电机运行电流、电压、励磁电流相等,从而保证两电机输出力矩功率平衡。
3、速度跟随性好:见C与D曲线,在加速段、恒速段、减速段,两速度曲线均拟合在一起,整个运行周期两电机运行速度大小相等,运行频率相同。
综上所述,当电控发出指令给主、从变频器时,变频器同时驱动两台大功率同步电机,在整个提升运行周期内,两同步电机的运行电流、运行速度相等、输出功率平衡。

图11 提升40t正向速度曲线

图12 提升40t反向速度曲线
(四)变频器输出电流、电压波形
现场变频器全速全载运行输出电流为250A,电压5980V,显示波形如图13。

图13 电压电流同相位图(左),电流图(右)
五、总结
一套电控系统控制两台变频器同时驱动两台同步电机,实现联动直驱的技术方案是首次应用于矿井提升机系统并一次性投运成功的案例。该项目从原理、结构、实验、数据分析到现场验证,充分证明同步矢量变频器联动直驱提升系统可以使电机驱动功率加倍,且单台出现故障时,另一台仍可以半速运行,保证了矿井提升系统的不间断生产。同时,变频器具备四象限运行、启动转矩大、恒转矩输出、调速范围宽、谐波小等特点,填补了国内相关技术空白,打破了国外垄断局面,为民族产业创新塑造了标杆工程,为合康变频迈向大功率提升系统奠定了坚实基础。
京公网安备 11011202001138号
