摘要:15年1月30日,汇川技术1台HD92四象限高压变频器成功应用于云南富源某煤矿矿井竖井提升机上。该产品有效地解决了使用交流绕线式电机转子串电阻调速控制系统时,提升机减速和爬行阶段的速度控制性能差、严重耗能、控制系统复杂等问题,为用户提高生产效率的同时,实现了上提过程中的节能和下放过程中的能量回馈的双重节能效果,从而有效利用能源。
关键词:竖井矿井提升机、HD92、三电平、四象限、能量回馈。
一、改造前设备工况
矿井提升机,也称绞车,是指安装在地面、借助于钢丝绳带动提升容器沿井筒运行的一种大型提升机械设备,是井上和井下的唯一输送通道。它是由电动机带动机械设备,以带动钢丝绳从而带动容器在井筒中升降,完成输送任务。现代的矿井提升机提升量大,速度高,安全性高,已发展成为电子自动控制的全自动重型矿山机械。
矿井提升机主要由电动机、减速器、卷筒(或摩擦轮)、制动系统、深度指示系统、测速限速系统和操纵系统等组成(如图1),采用交流电机驱动。

图1 旧提升机系统
目前大部分大中型煤矿的矿井提升机都采用绕线式电机转子串电阻的方法进行分段有级调速(如图2所示)。其基本原理是:当绕线式异步电动机转子串入附加电阻后,电动机的转差率加大,电动机在较低的转速下运行,串入的电阻越大,电动机的转速越低。此方法的优点是设备简单,控制方便;但其缺点也非常明显,主要有以下几点:
1、调速时转子回路电流很大,大量的转差电能消耗在回路电阻上,造成大量能源浪费;
2、调速性能差,控制系统复杂,故障率高;
3、启动过程中对电网的冲击大,同时也会产生较大的机械冲击,造成设备使用寿命降低;
4、安全可靠性差,且维护工作量大、维护成本高。

图2 改造前的调速电阻

图3 提升机现场图
此竖井提升机变频改造项目中,之前采用转子串电阻的调速方式,在使用过程中存在诸多安全隐患和较差的系统运行性能,为提高系统的安全性和可靠性,在我司的建议下,客户最终决定采购一整套变频电控系统,将之前的转子串电阻调速系统彻底替换掉,采用汇川高压变频器进行调速,避免了严重的机械磨损,防止较大的机械冲击,减少机械部分维修的工作量,延长提升机械的使用寿命。采用变频控制的提升机,基本上可以获得与直流电机相同的调速和制动性能。
系统相关参数:

根据电机额定功率,综合考虑电动机功率因数偏低、使用现场2200m海拔等多方面因素,汇川选用型号为HD92-F060/500-RN的四象限高压变频器,经实践验证,完全满足现场使用要求,不仅实现平滑的加速、减速和平稳的匀速运行还达到了很好的节能效果。
[DividePage:NextPage]
二、提升机工艺要求
提升机的过程是提升容器在井筒中周期往返运动,通常以提升容器的运动速度与时间的关系来表示其运动规律,称为速度图,我们常用的提升系统的速度图,包括五个阶段,一般称为五阶段速度图。即:加速阶段、匀速阶段、减速阶段、爬行阶段、制动阶段。提升机电气传动系统速度曲线如下图所示:

图4 提升机运行速度曲线图
要使提升机按给定的速度曲线运行,电气传动系统应能根据负载的变化而自动的工作在电动或制动状态。综合以上提升机的运行特点以及矿山生产固有的特点,提升机工艺对提升机电控系统的要求如下:
1)加(减)速度应符合国家有关安全生产规程的规定。提升人员时,加速度a≤0.75m/s2,升降物料时,加速度a≤1.2m/ s2。另外不得超过提升机的减速器所允许的动力矩。
2)具有良好的调速性能。要求速度平稳,调速方便,调速范围大,能满足各种运行方式及提升阶段(如加速、减速、等速、爬行等)稳定运行的要求。
3)有较好的起动性能。提升机不同于其他机械,不可能等到系统运转后再装加负载,因此,提升机必须能够重载起动,有较高的过载能力。
4)特性曲线要硬。要保证负载变化时,提升速度基本上不受影响,防止负载大小不同时速降过大,影响系统正常工作(当然,当负载超过一定的限度时,还要求系统能有效的自我保护。迅速安全制动停车,即所谓要具备挖土机机械特性)。
5)工作方式转换容易。要能够方便的进行自动、半自动、手动、验绳、调绳等工作方式的转换,操作方便,控制灵活,不至于因工作方式的转换影响正常生产。
三、变频改造方案
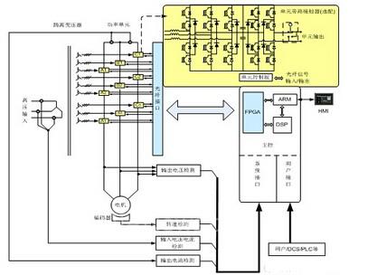
改造内容:原有转子串电阻电控系统及换向切换全部拆除,重新采购一整套新的绞车电控系统,其中操作台采用两台西门子可编程控制器,其中一台为主控机负责提升机的主程序,第二台为监控机负责信号打点、语音报警和后备保护,两台PLC有主有从,互有分工,相互监视实现了安全回路的双线制。使用变频器驱动电机,变频器型号为HD92-F060/500-RN,采用远程控制方式,由操作台的PLC将控制指令传送到变频器,控制框图如下:

图5 提升机控制框图
操作台PLC与变频器之间采用硬线连接方式,通过4~20mA模拟量信号调速,驱动电机在0~50Hz范围内运行。具体接口信息如下图所示:

图6 端口通信图
变频器采用两线式控制模式,通过DI9、DI10两个端口分别控制变频器正、反转,频率给定采用4~20mA模拟量信号,对应变频器输出频率0~50Hz,变频器开关量输入:10路,继电器干接点,包括起动、停止、手动/自动转换、复位等信号,开关量输出:16路,继电器干接点,包括变频器高压就绪、变频器运行、变频器故障、变频器停止、变频器保护动作等信号;
变频器控制采用开环矢量控制技术,无需安装编码器作速度闭环控制,可根据电机运行电压及电流自行解耦出电机实时运行状态。
[DividePage:NextPage]
四、汇川高压变频系统原理
国内市场上绝大多数高压变频器均采用功率单元串联多电平结构,其中,功率单元采用两电平拓扑结构,6kV高压变频器每相由5或6个功率单元组成,整机由15或18个功率单元组成,具有功率单元数量众多,体积大的缺点。根据此种情况,汇川技术创新性的提出了三电平功率单元串联多电平结构,使得每个功率单元具有更高的输出电压,6kV高压变频器整机只需要9个功率单元,从根本上减少了功率单元数量,减小了变频器整机体积。6kV高压变频器整机拓扑图如下:

图7 6kV四象限高压变频器拓扑图
功率单元采用三电平拓扑结构,中心点采用二极管钳位,整个功率单元由AFE整流、直流滤波、逆变三大部分组成,功率单元拓扑结构如下:

图8 功率单元拓扑图
采用AFE整流前端,与传统的二极管或可控硅整流技术相比,主动前端不再是被动的将交流转变成直流,而是具备了很多主动的控制功能。
A、具备电网功率因数调节功能,整机空闲时可以通过AFE方式调整电网功率因数;
B、对电网无污染,输入功率因数高,无需功率因数补偿器;
C、电压适应范围-20%~15%;
D、能量回馈效率高。
单元输入端采用PFC能量回馈电抗器:
A、减少回馈时整流前端电压尖峰dv/dt对电网的污染;
B、利用电抗器中储存的部分能量,可用于提升母线电压,使母线电压可控、稳定;
C、抑制单元输入侧谐波电流,改善功率因数。
当变频器输出转速和输出转矩方向一致时,电机处于电动机状态,此时功率单元AFE侧从电网获取有功功率,提供给电机转化为机械能;当变频器输出转速与输出转矩方向不一致时,电机处于发电机状态,此时,产生的电能会将功率单元的母线电压抬高,AFE侧将多余的能量回馈到电网,形成自动回馈。
五、变频改造优势
1、无启动冲击电流:采用世界领先的矢量控制方式,在低频率运行时不需进行转矩提升也可以输出大转矩,在启动过程中无冲击电流,启动电流小于电机的额定电流,非常适合频繁启动的提升系统,单相启动电流的波形图如下图所示;

图9 启动波形
2、编码器闭环矢量控制:针对提升机精确速度控制和较大启动转矩要求,汇川高压变频器带速度传感器矢量控制的速度控制精度能达到0.05%,启动转矩可达到200%/0Hz。完全满足了提升机的高精度控制,快速转矩响应,良好的低频特性,保证了提升机低速运行平稳,抱闸磨损小,冲击小。
3、无编码器开环矢量控制:提升机现场使用的电机多为绕线式电机,在电机轴上加装编码器非常麻烦,如果安装位置稍有不对,编码器会经常损坏,影响整个系统的运行。汇川高压变频器针对此种情况,特别提出了无编码器开环矢量控制方式,无需安装编码器,控制效果几乎与安装编码器的效果一致,得到了客户的好评。汇川高压变频器的磁链闭环矢量控制技术是基于电机d - q轴系数学方程,对电机的磁链、电流进行解耦控制,具有磁链、电压闭环特点。控制精度高,转矩响应快,低频特性好,提升机低速运行平稳,抱闸磨损小,冲击小,完全满足了不同现场的需要。

图10 绕线式电机转子侧短接及安装编码器困难图

图11 磁链闭环矢量控制原理图
4、低频大扭矩:汇川技术HD92四象限高压变频器采用世界领先的矢量控制技术,具有优越的低频特性,闭环矢量200%额定转矩/0Hz;开环矢量180%额定转矩/0.5Hz。
优秀的低频特性,确保了提升机在低速运行时,依然能够有足够的转矩进行提升,不会出现溜钩、怠速报闸等现象;
5、长寿命设计:汇川技术HD92四象限高压变频器全部采用薄膜电容设计,使用寿命为普通电解电容的10倍以上,确保了变频器的使用寿命;
[DividePage:NextPage]
6、无谐波:汇川技术HD92四象限高压变频器采用AFE可控整流方式,可自动调节功率因数,使得功率因数接近于1,并且在每个功率单元输入侧均配有PFC专用能量回馈电抗器,对回馈到电网的电流进行滤波,确保对网侧没有任何谐波污染;

图12 HD92四象限高压变频器高压进线端电流波形图
7、节能: 对于恒转矩类负载,功率与转速近似成一次线性关系,即P=K*T*N,从下图中我们可以看出,传统利用转子串电阻调速的方式,在电阻上消耗了大量能量,如采用变频调速装置改造后,可节省在电阻上消耗的全部能量。原有的转子串电阻调速方式,在启动和停止过程中,有大量的转差功率消耗在电阻上,造成电能的极大浪费,采用变频器调速后,可将这部分能量全部省掉。通过现场抄表比较,相比之前的串电阻调速方式,变频改造后可节约电能大约15%;


图13变频改造前后节能对比
六、现场应用图片

图14 变频器放置图

图15 控制台图

图16 系统正常运行图

图17 井口图
七、总结
通过现场长时间的测试情况来看,汇川HD92-F060/500-RN的四象限高压变频器完全能够满足现场的提升机工艺需求,变频改造不仅能够实现显著地节能效果,且能够改善运行工艺,达到多重改造效果,经济效益及社会效益显著。
汇川技术有限公司依托多年的自动化行业的应用经验,对装备制造业的变频测试系统具有独到的方案解决能力,HD9X系列高压变频器为采用矢量控制技术的高性能变频器,产品广泛应用于冶金、电力、化工、市政、装备制造业等多个应用领域。
京公网安备 11011202001138号
