一、概述
1.1客户介绍
山东某真空泵厂曾是原机械工业部定点生产单位,现发展成为集水环真空泵、精密减速机、渣浆泵、脱硫泵、发动机连杆等高端装备产品研发、生产、销售于一体的企业集团。公司是国家重点高新技术企业,国家守合同重信用企业,中国机械工业管理进步示范企业。公司设有山东省流体机械工程技术研究中心和省级企业技术中心,公司持有真空泵行业内唯一一个被国家工商总局认定的中国驰名商标。
公司生产的水环真空泵产销量已连续十一年位居国内同行业第一位,主持起草五项国家行业标准,通过科技创新,自主研制了八种规格的特大型水环真空泵,填补国际空白,技术指标处于国际领先水平。产品已成功应用于四川绵阳军事基地飞机风洞试验、西南交通大学高速列车综合性能模拟试验等科技前沿领域。
1.2水环真空泵简介

图1:水环真空泵结构示意图
工作原理介绍:
叶轮偏心的安装在接近圆形的泵体内,当叶轮按照图示箭头方向旋转时,因离心力的作用注入泵内的液体被甩向泵体内壁,形成一个形状与泵体相似,厚度接近相等的液环,随叶轮一起旋转的液环内表面与叶轮轮毂之间形成一个月牙形空间,当叶轮由A点转向B点时,两相邻叶片之间所包围的容腔逐渐增加,气体由外界吸入。当叶轮由C点转到A点时,相应的容腔由大变小,使原先吸入的气体受到压缩,当压力达到大气压力时,气体被排出。
二、汇川HD92系列高压变频器简介
2.1系统工作原理

图2:产品原理图
[DividePage:NextPage]
2.1.1主电路拓扑原理
电网电压经主变压器隔离移相后为功率单元供电,每个功率单元为一个单相交-直-交电压型逆变器,单元串联星接后形成三相变频电源给高压电动机供电。根据串联单元级数的不同,产品分为3kV、6kV、10kV三个系列。主变压器采用移相整流方式,输入功率因数高,输入电压电流谐波小。满足IEEE519-1992和GB/T 14549-93对电压和电流最严格的谐波失真要求。无需任何功因补偿和谐波抑制装置。变频器输出采用多重化PWM技术,输出为近乎完美的正弦波,无须加输出滤器。电动机谐波损耗小,转矩脉动小,无明显电动机噪声。电动机不需降额使用。输出dV/dt和共模电压小,对电动机无附加电应力损害。
2.1.2功率单元原理
功率单元采用三相交流输入,整流滤波后形成直流电压,经IGBT H桥逆变后输出脉宽调制(PWM)电压。功率单元控制板由IGBT驱动电路和监测保护电路、光纤通信电路、单元旁路电路和控制电源组成。运行中功率单元故障时,变频器可将故障单元自动旁路并继续运行,等情况允许时再停机排除故障。

图3:单元原理图
2.2 HD92基本特点
汇川公司HD92系列高压变频器为完美无谐波型高压变频器,采用功率单元级联式技术路线,矢量控制高压变频器,控制核心采用DSP+ARM+FPGA组成,指令在纳秒级完成,因此控制波形和逆变波形可以实时校验。具有国际领先的技术!
汇川公司所有高压产品均进行满载48小时测试,除一些保护功能外,磁链闭环矢量控制技术、高频技术、快速叠频技术、Syn-transfer技术、非对称旁路技术、双路控制电源等功能,这些功能技术上处于国内领先水平。
汇川公司的电力电子,自动控制和计算机等领域具有理论水平和实践经验的优秀科研队伍,长期致力于电力电子领域各类产品的开发研制,对于关系产品质量的生产工艺也作了大量的完善和改进,如:其中层叠直流母线的制作工艺保证了直流母线的分布电感最小,有效抑制了功率器件在开关过程中的di/dt电压尖峰;高密度FPGA贴片工艺保证了控制器在恶劣环境下能够长期稳定运行;整流桥、功率器件和电解电容的安装工艺使整个系统的离散性达到最小,保证质量和性能的高度一致性。为保障质量和效率,公司还研制了各类具有特色的和方便使用的工艺调试工装,建全了相应的质量管理体系。
三、变频系统方案
3.1项目简介
客户现场高压水环真空泵功率从250kW至4000kW不同,其中4000kW水环真空泵为目前世界最大功率的水环真空泵,填补了世界空白,其出厂要对不同频率段进行测试,满足设计标准才可出厂,所以变频驱动成为最好的出厂测试方法。
测试需求:在同等电压等级下输出不同功率以测试不同功率大小真空泵,以及同等频率下输出不同电压等级,以满足不同电压等级真空泵的测试需要。
3.2系统方案图

图4:系统方案图
[DividePage:NextPage]
3.3方案简介
(1)系统采用一拖一控制方式,不配置旁路系统;
(2)系统配置:项目选用汇川HD92-J100/5000-DN,输入变压器选用10Kv/5000kVA干式移相整流变压器,单元选用汇川HD9M-A069系列功率单元,变频器每相配置8个功率单元,控制系统选用汇川HD92-MCC1主控系统,对外接口选用汇川自主研发HD92专用的IO系统HD92-IOB2,不采用PLC系统,安全可靠,降低了现场由于PLC不可靠引起的故障停机问题;
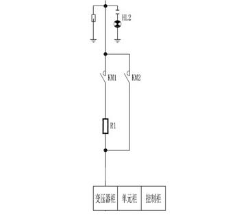
(3)客户现场由于上级电网容量限制,而大功率变频器上电冲击较大,能达到6~8倍变频器额定电流,上级变电站难以承受,所以方案配置预充柜(激磁涌流抑制柜),以缓冲变频器上电冲击,经过精准的计算选型,本系统中变频器上电冲击控制在1倍以内,完全达到客户需求,预充柜原理图如下所示:

图5:预充柜原理图
上图中R1为缓冲电阻,上电时KM1合闸,KM2延时合闸将R1旁路,之后KM1分闸。
(3)现场远程控制采用硬接线的方式,本项目所用到对外接口如下表所示:


[DividePage:NextPage]
3.4变频驱动优势
随着客户对设备的出厂质量的要求不断提高,装备制造业本身对设备的出厂测试标准及方式也不断的升级,变频器在测试站中的作用越来越重要。
(1)装备制造业的客户现场电网容量一般不大,所以变频启动无疑是最好的设备启动测试装置,变频启动电流控制在额定电流以内,减小启动对设备的冲击,延长使用寿命;
(2)方案中配置预充装置,使变频器的上电电流减小至额定电流以内;
(3)采用变频器进行测试,能够实现对负载在不同频率点的性能测试,提高了测试的完善性;
(4)HD92系列高压变频器采用技术领先的磁链闭环矢量控制技术(SFOC),可以实现对负载的快速加速,测试真空泵在快速加速状态下的性能状态;
(5)由于采用SFOC的三闭环控制方式,可以实现最优的无速度传感器矢量算法,保证转速的稳定性,稳速精度达到0.5%以内,保证真空泵的运行稳定;

图6:SFOC跟其他控制方式控制精度比较
(6)磁链闭环矢量控制技术(SFOC)对电机参数不敏感,所以避免了传统矢量控制技术在测试台应用中的困扰,既能实现对负载的高性能控制,又能实现客户操作的简便性;
四、现场照片

图7:现场4000kW测试机组

图8:HD92高压变频器整机

图9:触摸屏运行中显示
五、总结
通过现场长时间的测试情况来看,汇川HD92-J100/5000-DN完全能够满足现场的机组测试需求,随着装备制造业的不断发展,工业设备将逐渐向高精尖的方向发展,其出厂测试显得越来越重要,采用变频驱动可以丰富设备的测试项目以及提高测试站的自动化水平,汇川将根据测试需求提供安全可靠的变频解决方案。
汇川技术有限公司依托多年的自动化行业的应用经验,对装备制造业的变频测试系统具有独到的方案解决能力,HD9X系列高压变频器为采用矢量控制技术的高性能变频器,产品广泛应用于冶金、电力、化工、市政、装备制造业等多个应用领域。
京公网安备 11011202001138号
