一、现场情况
某工矿地处远离城市的山区中,不可能使用市政的自来水管网,那就自建一个小型的供水系统。一般的情况是,在靠近河边建一个取水站,将河水抽到半山腰的水处理站,经过沉淀、加氯消毒后,再由水泵送到山顶的高位水池,利用山顶与用户之间的高差实现自流供水。本例用户的取水站建在山下的河边上,离半山腰的水处理站直线距离在800米以上,取水站有3台扬程110米的30kW水泵,二用一备。取水站无人值守,水处理站有人值班,取水站的水泵的起、停控制也是由水处理站的值班人员担任。值班人观察水处理沉淀池的水位,如果沉淀池快要抽满或抽水量不足时,值班人员就步行1公里多路程到取水站进行相应的操作。对于沉淀池快要抽满的情况,有时处理不及时,沉淀池水满后就流失了较多的水,这不仅浪费电能,也造成水资源损失。水处理站将处理好的水送往高位水池,有2台扬程80米的45kW水泵一用一备,也同样有高位水池水满后造成水资源损失和电能的浪费。
二 控制方案
因为存在以上的问题,需要做改造,用户的要求是:
1. 取水站无人值守;
2. 沉淀池、高位水池水位自动控制;
3. 有一定限度的节能。
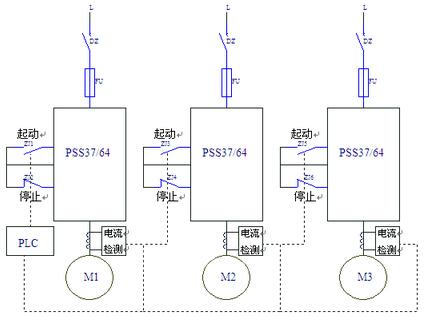
考虑到取水站无人值守,选择启动设备时着重可靠性,就选用软启动器,每台水泵配1台,共3台。沉淀池内设有“高”、“中”、“低”3个水位点,用PLC根据沉淀池水位的高低来决定1台水泵运行或2台水泵运行,还可通过编程控制使3台水泵使用的时间尽量相同。水泵的运行信号、故障信号通过电缆送到水处理站显示。取水站的抽水水位比水泵安装位置低2米,水泵初次起动或停止后再起动,都可能形成“真空”而吸不上水,原来的方式是靠人工注水。无人值守后必须自动地完成注水排气这个过程,其方法是采用间接检测方式,即检测水泵电机的运行电流。如果管道有“真空”,则电机近似于空载运行,电流较小;如果管道没有“真空”,则电机接近满载运行,电流基本上为额定电流,二者的差值较大。用电流检测来确定电机或抽水管道有无真空,如有问题,PLC给出报警信号,通知值班人员处理。

图1 取水站控制系统图
为节能考虑,水处理站往高位水池送水的水泵用变频器驱动,选用森兰SB200系列变频器。高位水池的水位信号也通过电缆送到水处理站,与变频器组成一个水位闭环控制系统,适当调节水位闭环控制系统的给定,可有不错的节能效果。
三 节能效果
高位水池的容积有400m3,如果关闭高位水池出水阀门,45kW水泵工作4小时可将高位水池抽满,消耗的电能为:
W=45×4COSη=162kWh (设COSη=0.9)
采用森兰变频器后,调节变频器的频率在43Hz,水泵调节后扬程H1为水泵设计扬程H的74%,已无较多的富余扬程,水泵调节后流量Q1为水泵设计流量Q的0.86,45kW水泵工作4.65小时可将高位水池抽满,所消耗的电能为:
W1=(0.86)3×45×4.65×COSη=119.2kWh (设COSη=0.9)
抽满一池水降低电耗42.8kWh。实际上,不可能关闭高位水池出水阀门,一般情况是水泵在向高位水池供水时,也同时给用户供水。每天的节能可从用户的用水量估计。流量表上显示,该用户每天用水量在800m3左右,按800m3计算,每天节电85.6kWh,年节电85.6×365=31244kWh。
京公网安备 11011202001138号
