内容摘要:本文综述了合康高压变频器在转炉一次除尘风机上的运用情况,简单介绍了根据设备参数选择变频系统,并与工频控制作了部分比较,阐述了风机节能的原理及相关的节能数据。
关键词:风机 变频 选型 节能
一、公司简介
云南省曲靖双友钢铁有限公司成立于2003年,是曲靖市政府招商引进的省外重点民营钢铁联合企业之一。炼铁分厂成立于2003年8月,现有450立方高炉两座,180平方烧结一座,6万吨喷煤一座;动力分厂成立于2004年4月,现有110kV/10kV变电站一座,12MW煤气发电站一座,8万立方煤气柜一座,10000/12000/200型空分装置1套;炼钢分厂于2007年10月始建,于2009年2月25日顺利点火投产,年产60万吨钢坯,有600吨混铁炉一座,60吨氧气顶吹转炉一座,四机四流R8m弧形连铸机一套。二期工程含180平方烧结机一台;1080立方高炉一座;15MW煤气发电站一座,80吨转炉、六机六流连铸机一套及生产辅助配套设施,将于2011年上半年投产。
二、设备参数
转炉一次除尘风机共两台,三相异步电动机驱动。电动机的主要参数如下:
型号:YBKS5004-2 额定功率:900kW
额定电压:10000V
额定电流:62.2A
额定频率:50Hz 额定转速:2985r/min
绝缘等级:F级
三、变频系统选型
两台除尘风机的工作方式为一用一备,采用一台高压变频器一拖二的工作方式。根据电动机的基本参数确定电动机的容量约1100kVA,且考虑高海拔的因素,故选择额定容量为1250kVA,额定电流为77A的10kV的高压变频器,其型号为HIVERT-Y10/077,具有瞬时断电再启动功能。考虑实际生产要求,增加工频旁路柜,变频器故障时自动切换到工频运行。
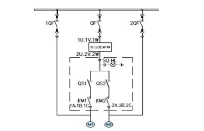
四、控制方案
一次控制原理图如下:

电动机的供电由QS1和QS2来实现切换,QS1与KM2、QS2与KM2实现连锁,变频器与KM1、KM2连锁,1QF与KM1连锁,2QF与KM2连锁。
变频器为远程控制,开关给定,分为两个速度段,即高速(频率为45.3Hz,转速为2711转)和低速(频率为13.4Hz,转速为800转)。
转炉的生产流程为加料(废钢、铁水)→吹炼→出钢→倒渣周期循环,其中吹炼时要求风机高速运转,出钢及倒渣时要求风机低速运转,而加料时因烟尘比较大,须风机高速。
控制方式分为手动和自动两种,自动控制时:烟罩下降到位开始吹炼时风机自动高速;氧枪提起停吹,烟罩提起到位风机自动低速运行。而加料时则手动把风机调到高速。
[DividePage:NextPage]
五、节能效益
1、工频控制和变频控制比较
工频控制:不能调速,不能节约电能;直接起动,起动电流大(约额定电流的4~7倍),对电网、电动机及传动设备的冲击大,从而缩短了设备的使用寿命,增加了设备的维修量及维修成本。
变频控制:可调速,能实现电能的节约;变频起动,起动平稳,起动电流可控制在额定电流左右,大大减少起动时的冲击,延长设备使用寿命,且变频器运行可靠,故障率低,维修量少。
2、风机节能的原理
风机的风量与转速成正比,风机的风压与转速的平方成正比,风机的轴功率与转速的立方成正比。从而可以得出:风机的转速减少一半,则风机的风量为原风量的一半;风机的风压为原风压的四分之一;轴功率为原来的八分之一。
3、节能数据
(1)工频运行时的数据

工频时的平均功率P=(78804+803.8+788.4)/3=793.5kW,则一小时得用电量为
W=793.5×1=793.5kWh
(2)变频运行时的数据

转炉一小时炼钢,一炉钢约15分钟高速,其余为低速运行。则一小时的用电量为:
W=518×15×2÷60+24×(60-15×2) ÷60=271kWh
变频运行时的节电率为:(793.5-271)÷793.5×100%=66%
一天的节电量为:(793.5-271)×24=12540度
电价为:0.5元/度,则一天节约的电费为:
12540×0.5=6270元
一年的运行小时数为8000小时,则一年所节约的电费为:
(793.5-271)×8000×0.5=2090000元=209万元
六、结论
节能降耗是企业的生存之本,谁怠慢了它,轻视了它,谁就会失去立足之基。为了企业的生存之道,为了贯彻国家的节能降耗方针,我公司积极实施了一序列的高压变频节能项目,如炼钢二次除尘风机(1250kW)变频控制,高炉出铁场除尘风机(1250kW)变频控制、热风炉助燃风机(500kW)变频控制。由于我公司对前期所使用的北京合康亿盛变频科技股份有限公司生产的10kV高压变频器的稳定性及可靠性非常认可,所以后期所选用的高压变频器的都是合康变频的产品。
京公网安备 11011202001138号
