一、系统结构
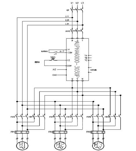
变频恒压供水系统主要由ALPHA6000A系列变频器、三菱FX2N系列PLC、压力传感器、动力、控制线路以及泵组组成。
二、工作原理
1、手动
按下按钮启动和停止水泵,根据需要分别控制1#~3#泵的启停该方式主要为设备调试检修时使用
2、自动
条件满足,开始工作,1#泵变频启动,泵的转速随变频器输出频率的上升而升高,当变频器频率达到50HZ,此时水压未达到设定值,变频器检测到上限频率并输出一个开关信号给PLC,延时一段时间后1#泵迅速切换为工频运行,同时变频器频率降为0HZ。然后2#泵变频启动,若压力仍未达到,则2#泵切换为工频。3#泵变频启动,在运行中始终保持一台泵变频运行。
当压力达到一定值时,变频器将输出0HZ,同时变频器输出一个下限频率给PLC,有PLC切除1#工频泵,若此时达到压力设定值变频器输出为0HZ,输出下限信号给PLC切除2#工频泵,只有3#泵变频运行维持压力。若需要加泵是切换从3#泵开始循环,这样不论用水量如何改变始终保持管网压力恒定,且各台水泵运行时间基本相同,延长泵的使用寿命,给维护和检修带来方便。
三、系统配置
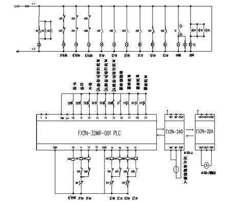
1、控制图

2、控制系统接线图

3、I/O端子分配表


四、系统优点
6000系列变频器与三菱PLC可以完全兼容控制,如果需要更高要求控制时6000系列通讯协议,使控制系统更为方便、简洁,提高自动化程度。
京公网安备 11011202001138号
