█ 前言
中央空调是现代大厦物业、宾馆、商场不可缺少的设施,它能带给人们四季如春,温馨舒适的每一天,由于中央空调功率大,耗能大,加上设计上存在“大马拉小车”的现象,支付中央空调所用电费是用户一项巨大的开支。因为季节的变化、昼夜的变化、宾馆酒楼客人入住率的变化、娱乐场所开放时间的变化等等,从而导致中央空调系统对室内热源吸收量的变化,再加之工艺设计上电机功率设计有相当的富裕量,因此,存在明显的节电空间。将变频技术引入中央空调系统,保持室内恒温,对其进行的节能改造是降本增效的一条捷径。
█ 中央空调系统
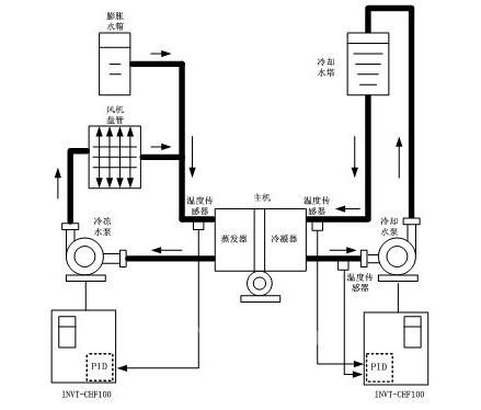
图1所示为一典型中央空调机组系统图,主要由冷冻水循环系统、冷却水循环系统及主机三部分组成:

图1 中央空调系统原理图
● 冷冻水循环系统
该部分由冷冻泵、室内风机及冷冻水管道等组成。从主机蒸发器流出的低温冷冻水由冷冻泵加压送入冷冻水管道(出水),进入室内进行热交换,带走房间内的热量,最后回到主机蒸发器(回水)。室内风机用于将空气吹过冷冻水管道,降低空气温度,加速室内热交换。
● 冷却水循环部分
该部分由冷却泵、冷却水管道、冷却水塔及冷凝器等组成。冷冻水循环系统进行室内热交换的同时,必将带走室内大量的热能。该热能通过主机内的冷媒传递给冷却水,使冷却水温度升高。冷却泵将升温后的冷却水压入冷却水塔(出水),使之与大气进行热交换,降低温度后再送回主机冷凝器(回水)。
● 主机
主机部分由压缩机、蒸发器、冷凝器及冷媒(制冷剂)等组成,其工作循环过程如下:
首先低压气态冷媒被压缩机加压进入冷凝器并逐渐冷凝成高压液体。在冷凝过程中冷媒会释放出大量热能,这部分热能被冷凝器中的冷却水吸收并送到室外的冷却塔上,最终释放到大气中去。随后冷凝器中的高压液态冷媒在流经蒸发器前的节流降压装置时,因为压力的突变而气化,形成气液混合物进入蒸发器。冷媒在蒸发器中不断气化,同时会吸收冷冻水中的热量使其达到较低温度。最后,蒸发器中气化后的冷媒又变成了低压气体,重新进入了压缩机,如此循环往复。
█节能理论
● 中央空调节能改造前的工况
在中央空调系统设计时,冷冻泵、冷却泵的电机容量是根据建筑物的最大设计热负荷选定的,都留有一定设计余量。由于四季气候及昼夜温差变化,中央空调工作时的热负荷总是不断变化。下图2为一民用建筑物的平均热负荷情况:

图2热负荷率曲线
如上图所示,该中央空调一年中负荷率在50%以下的时间超过了全部运行时间的50%。通常冷却水管路的设计温差为5~6℃,而实际应用表明大部分时间里冷却水管路的温差仅为2~4℃,这说明制冷所需的冷冻水、冷却水流量通常都低于设计流量,这样就形成了中央空调低温差、低负荷、大工作流量的工况。
在没有使用节能系统前,工频供电下的水泵始终全速运行,管道中的供水流量只能通过阀门或回流方式调节,这必会产生大量的节流及回流损失,同时也增加了电机的负荷,白白消耗了许多电能。
中央空调水泵电机的耗电量约占中央空调系统总耗电量的30-40%,故对其进行节能改造具有很明显的节能效果。
● 节能理论根据
由流体力学理论可知,离心式流体传输设备(如离心式水泵、风机等)的输出流量Q与其转速n成正比;输出压力P(扬程)与其转速n的平方成正比;输出功率N与其转速n的三次方成正比,用数学公式可表示为:
Q = K1 × n
P = K2 × n2
N = Q × P = K3 × n3 (K1、 K2 、K3为比例常数)
由上述原理可知,降低水泵的转速,水泵的输出功率就可以下降更多。如将电机的供电频率由50Hz降为40Hz,则理论上,低频40Hz与高频50Hz的输出功率之比为(40/50)3=0.512。
实践证明,在中央空调系统中接入变频节能系统,利用变频技术改变水泵转速来调节管道中的流量,以取代阀门调节及回流方式,能取得明显的节能效果,一般节电率都在30%以上。同时变频器的软启动功能及平滑调速的特点可实现对中央空调的平稳调节,并可延长机组及管组的使用寿命。
█ 节能方案分析
中央空调各循环水系统的回水与出水温度之差,反映了整个系统需要进行的热交换量。因此,根据回水与出水的温度差来控制循环水的流量,从而控制热交换的速度,是首选的节能控制方法。
● 冷冻水循环系统
冷冻水的出水温度是由主机的制冷效果决定的,通常比较稳定,因此冷冻回水温度可以准确的反映室内的热负荷情况。由此,对于冷冻水循环系统的节能改造,可以取回水温度作为控制目标,通过变频器对冷冻泵流量的自动调节来实现对室内温度的控制。
● 冷却水循环系统
冷却水循环系统同时受室外环境温度及室内热负荷两方面影响,循环水管道单侧的水温不能准确反映该系统的热交换量,因此以出水与回水之间的温差作为控制室内温度的依据是合理的节能方式。在外界环境温度不变的情况下,温差大,说明室内热负荷较大,应提高冷却泵的转速,增大冷却水循环的速度;相应的,温差小则减小冷却泵转速。
● 方案结构示意图
根据上述分析,可得出整个节能工程结构示意图如图3所示:

图3 中央空调系统节能改造结构示意图
由上图,该节能方案的基本思路为:
分别在主机蒸发器回水处、冷凝器出水及回水处安装温度传感器,实时检测管网的温度,以模拟信号(0~10V或者4~20mA)反馈给变频器,通过变频器内置的PID运算输出相应的频率指令后自动调节水泵转速,从而调节各循环水的热交换速度,最终实现对室内恒温度的控制。需要特别说明的是,变频器内部在设计上集成了温差反馈处理功能,系统无须另配专用控制模块。
● 电路控制方案
某公司中央空调机组数据如下表:

三台水泵中,春秋季节只用一台,备用两台;夏季高峰时常用两台,一台备用。
要求:一台变频运行,且可以通过人工方式进行切换,其他可通过人工方式直接启动到工频运行。
设计:3台水泵电机选配1台变频器。工作时可选择任意一台水泵做主泵、由变频器直接拖动并且变频运行(由内置PID进行闭环控制);其余两台水泵做辅泵、由人工依据制冷特点相应进行启停控制,使电机工频运行。如下图所示:
该方案使用CHF100系列通用变频器,“市电”“节电”旁路需要另配电控柜及电气配件。
● 变频节能系统特点
1、变频器界面为LED显示,监控参数丰富;键盘布局简洁、操作方便;
2、温度/温差传感器为数字双屏LED显示,温度参数设定方便,易于监控;
3、变频器有过流、过载、过压、过热等多种电子保护装置,并具有丰富的故障报警输出功能,可有效保护供水系统的正常运作;
4、加装变频器后,电机具有软启动及无极调速功能,可使水泵和电机的机械磨损大为降低,延长管组寿命;
5、 变频器内部装有大容量滤波电容,可有效提高用电设备的功率因数;
6、 该系统实现了对温度的PID闭环调节,室内温度变化平稳,人体感觉舒适。
█ 总结
将变频技术应用于中央空调系统,对提升中央空调自动化水平、降低能耗、减少对电网的冲击、延长机械及管网的使用寿命,都具有重要的意义。
京公网安备 11011202001138号
