摘 要:在钢铁生产的过程中,各种资源和能源的消耗都非常大,我国作为一个能源短缺的国家,节能尤为重要。随着变频器行业的日新月异的发展,在风机水泵类负载中,变频器的应用越来越广泛。本文主要介绍由INVT IPE200系列变频器组成的传动系统在国内508无缝钢管线供水系统上的应用。
关键词:IPE200变频器 S7-400 PLC PROFIBUS-DP总线
一、引言
为了能够可持续的经济发展,也为了降低产品的生产成本,节能降耗成为各钢铁企业的必由之路。在风机水泵类负载中,变频器的应用可以明显的起到节能目的,在较短时间内可以收回投资成本,因此变频器的应用越来越广泛。国内某公司新上508无缝钢管生产线,其工厂供水系统水泵驱动采用INVT IPE200变频器,通过SIEMENS S7-400 PLC协调控制各工艺段,完成整个工厂的供水控制。
二、系统说明
整个供水系统采用西门子S7-400PLC主控,通过PROFIBUS-DP现场总线完成对34台IPE200变频器的功能控制,采用WINCC 6.2 上位机监控系统,PLC和上位机之间采用以太网通讯
系统配置大致如下图:

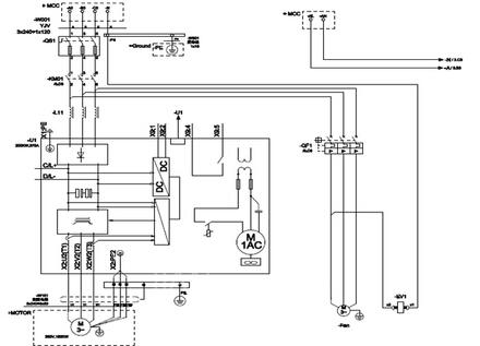
变频主回路如下图:

控制方式简单描述:
单个变频系统的控制方式分为:自动、手动、就地。
自动模式是最常采用的控制模式。
操作员在WINCC界面上选择“自动”模式,在变频器柜允许动作的前提下(如刀熔已经合上、变频器柜无故障等),操作员按动相应水泵的“起动”按钮,则变频器即开始运行。操作员输入水压的设定值,控制系统以泵出口管线的压力测量值为反馈进行闭环调节,并将运算的结果通过PROFIBUS-DP总线送至变频器执行。
手动模式也是常用的控制模式。
操作员在WINCC界面上选择“手动”模式,在变频器柜允许动作的前提下,操作员按动相应水泵的“起动”按钮,则变频器即开始运行。变频器的频率输出采用开环调节模式,由操作员在画面上直接对变频器频率进行设置。
就地模式用于调试或检修时的操作。
在机旁操作箱上的选择开关都位于“机旁”时,在变频器柜允许动作的前提下,操作员按动机旁操作箱的“起动”按钮,则变频器即开始运行。变频器的频率输出固定值的方式,该值可以在变频器的参数设定中调整。
传动对应选型:

柜体间PROFIBUS-DP网络连接如下图:

三、系统功能程序实现
S7-400PLC通过PROFIBUS-DP现场总线与34台变频器进行动态数据的交换,完成整个系统的协调控制;通过远程站收集并协调各个传动设备的运行。上位机采用WINCC画面监控系统,对整个供水系统进行集中控制和监控在线画面能够实时了解变频器运行状态。
S7-400PLC与IPE200变频器通讯数据采用PPO4(Parameter Process Data Object)型传输PZD(过程数据)数据, STEP7 通过调用SFC14(读状态字和实际值) 和SFC15(写控制字和设定值),完全实现数据的网络化传输与控制,速率自适应。
通讯程序如下:
CALL SFC 14
LADDR :=W#16#200 // IPE200的DP地址
RET_VAL:=0 //通讯错误数据
RECORD :=P#0.0 BYTE 12 //通讯数据
CALL SFC 15
LADDR :=W#16#200 // IPE200的DP地址
RECORD :=P#0.0 BYTE 12 //通讯数据
RET_VAL:=2 //通讯错误数据
对于变频器的启动与停止,程序实现了不同操作地点对变频器的操作及设备间的相互连锁,运算结果通过PROFIBUS-DP总线送至变频器;对于PID控制,程序完成了水压的自动闭环控制,同时支持手动控制功能,程序对也对PID输出进行限幅处理和添加死区功能,确保变频器能够更稳定的运行;对于PID的输出值程序中进行REAL/DWORD转换,同时对给定字进行字节的高低倒置,以满足实际IPE200变频器的需要
四、现场柜体图片

五、结束语
英威腾IPE200交流传动系统以其高性能的矢量控制技术和功能完善稳定的PROFIBUS-DP网络支持,在国内508无缝钢管生产线供水系统中成功运行,其核心控制及其功率单元实践证明稳定可靠。从运行效果来看,被控的水压能够良好的跟随设定点,系统地响应速度也能够完全满足工艺的要求,节能效果明显,赢得了客户的赞誉和认同。
京公网安备 11011202001138号
