方案概述:
塔式起重机(tower crane)简称塔机,亦称塔吊,是建筑行业上应用得最广泛的一种起重机械,主要用于房屋建筑施工中物料的垂直和水平输送及建筑构件的安装,其主要由起升机构、回转机构、小车变幅机构组成。
AS600系列起重专用变频器
功率范围:1.1kW~355kW
方案优势:
调速范围宽,可以实现精确控制定位作业
软启动、软停止可以减轻对机械的冲击,延长设备寿命
高可靠性和高集成度,简化系统接线,降低故障率,易于维护
快速动态响应,应对负载的变化
电机在零速时也可以全力矩输出,完善的抱闸逻辑,防止溜钩
产品特点:
高启动转矩——
V/F控制:2.5Hz,150%
开环矢量控制:0.5Hz,200%
闭环矢量控制:0.0Hz,200%
高过载能力——
150%,60S;200%,2S
内置弱磁、恒功率运行曲线

完善的抱闸逻辑和转矩记忆功能
闭环控制模式下,在每次制动器关闭时,记录下此时的电机输出转矩,当下次制动器打开时,输出上次记忆的转矩,防止溜钩。
多电机切换功能
配置丰富的自学习功能

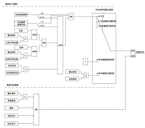
塔式起重机变频器解决方案框图

起升机构
起升机构是塔式起重机最重要的传动机构,目前传统调速方式下要求重载低速,轻载高速,调速范围大。起升机构调速方式的优劣直接影响整机性能。变频调速是当今最先进的交流调速方式。采用变频器拖动三相异步电机的控制方式取代传统调速方式,可以从根本上解决塔机故障率高的问题,而且技术先进、节能显著,是塔式起重机理想的传动控制方式。
回转机构
回转机构是大惯量负载,其工作方式不允许过快启动和停车,更不允许在运行中进行制动,否则不仅运转不稳定,严重的还会造成塔机折臂,对人身和设备都会造成伤害。采用变频调速方式进行无级调速,使其在起停过程中更为平滑,从而避免塔臂抖动现象。并且采用变频器控制以后使系统控制更为简单,控制系统具有多重保护,使系统更加安全可靠。
变幅机构
变幅机构传统的控制方式是采用多速电机进行调速,该调速方式在起重过程中起停容易造成重物在空中晃动,理想的取代方式为改用普通鼠笼电机变频驱动实现对变幅机构的无级调速使其运行更加平稳。
新时达AS600系列起重专用变频器在塔式起重机上的应用,大大降低了设备的维护,减少了对电网的污染,与传统工频控制塔式起重机相比,减少了机械损耗,抱闸机构动作可靠,高速提升功能缩短了工作周期,提高了工作效率,有很大的节能空间,诸多的优点,是塔式起重机理想的传动控制方式。
京公网安备 11011202001138号
