摘要:中国是茶叶的原产国,中国对茶叶的应用科追溯到四千年前,20世纪80年代以来,我国的茶叶加工技术快速向着机械化方向发展,各茶类的制茶机械相继研制与开发成功,并逐步应用与生产。
一、概述
中国是茶叶的原产国,中国对茶叶的应用科追溯到四千年前,20世纪80年代以来,我国的茶叶加工技术快速向着机械化方向发展,各茶类的制茶机械相继研制与开发成功,并逐步应用与生产。到目前为止,我国的大宗茶已有90%实现了机械化加工,名优茶也有50%以上的加工实现了机械化。
然而国内制茶机械化作业技术虽然取得了长足的发展,但制茶机械的自动化和连续化成都仍然较低,与食品工业的机械化相比确存在着较大的差距。工业生产技术的发展大体需要经历五个阶段,即机械化阶段、初级自动化阶段、自动化阶段、数据化阶段、高级自动化阶段(无人化),而目前我国的制茶技术基本还处在第一、二阶段,与国外相比差距较大,因此,茶机的自动化改造迫在眉睫。
二、工作原理
茶叶揉捻机的主要机构由揉盘与机架、揉桶与加压装置、传动机构等组成。揉桶是装载揉捻叶的容器,它固定于揉桶框架上,由曲臂带动运转。揉捻机在作业时揉桶内装满杀青叶,在电动机和传动机构的带动下由揉桶、揉桶盖和揉盘组成的揉捻腔在揉盘上做水平回转揉桶内的加工叶由于受到揉桶盖压力、揉盘反作用力、棱骨揉搓力及揉桶侧压力等作用,被逐渐揉捻成条,并使部分叶细胞破碎而茶汁外溢,达到揉捻的目的。
揉捻机自动控制系统包括以下几部分:
1.揉桶转速控制:原茶叶揉捻机上有一齿轮减速机构,输出转速为一个固定值,不能调整。但不同的茶种可能需要不同的转速揉捻,虽然只是些微的变化,也体现茶叶加工的精细程度。自动化改造后,转速的控制可由交流电机变频调速技术来实现
2.压力控制:压力控制是整个控制系统的关键所在,利用压盖的升降来控制桶内茶叶所受的压力。原系统是通过一个手轮手动控制加压的,自动化改造后,将手轮转动改为电动机带动丝杆转动,而电机可有PLC给定指令,变频控制。
3.揉捻过程控制:过程控制其实就是时间控制。可以把揉捻加工分为“轻-重-轻”三过程。每一过程的时间数值,可按揉捻加工工艺灵活掌握确定,加工前把每一过程的时间参数输入上位机中,再由PLC根据输入的参数控制电机运转,提供所需速度、压力。
4.上、下叶控制:出茶门在揉桶底部正中心,原茶门的开关是手动打开关闭,改造中也可通过电机驱动实现自动开关控制。
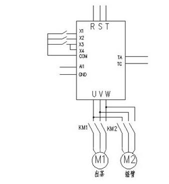
三、系统配置
本系统中,采用6000S变频器,一个变频控制2个电机,切换不同运行模式,两者不同时工作,摇臂电机工作在力矩模式,恒力矩控制压力给定,提供稳定的压力,出茶电机工作在速度模式,作用为开关茶门。

四、系统优点
传统揉捻系统,质量管理与品质控制仅凭人工经验和常规审评与理化检验来保证,而采用PLC及变频器组成的揉捻自动控制系统,自动化程度高,操作简单,节约人力成本的同时还提高了生产效率,因此值得推广。
京公网安备 11011202001138号
