一、引言
随着我国建筑业的不断发展,建筑施工机械化水平的提高,施工升降机的制造和整机技术水平的要求越来越高。其运行状况的好坏直接影响施工进度,传统的施工升降机一般采用的是接触器—继电器控制方式,直接启动和机械抱闸强制制动,启制动冲击大,由于惯性、强制抱闸对机械结构冲击大,造成乘坐舒适度差、同时容易造成升降机里的物料跌落,影响施工速度和施工企业的效益,特别是在人货两用施工升降机上,存在着极大的安全隐患。
升降机采用变频调速有着诸多优点,例如,零速抱闸,对制动器无磨损;任意低的就位速度,平层精度高;速度的平滑过渡,对机构和结构件无冲击,提高了升降机的安全性;几乎任意宽的调速范围,提高了升降机的工作效率;正是因为这些明显的特点和优势,使变频器在升降机上得到了广泛的应用,对升降机的安全运行有着重要的意义。
二、升降机的结构
施工升降机是现代高层筑建施工中必不可少的垂直运输设备,特别是在高层、超高楼层建筑施工中担任极其重要的任务,对于保证施工工期与安全,降低施工成本,减轻劳动强度起着不可替代的作用。
施工升降机主要组成部分如下:导轨架、吊笼、传动系统、附墙架、底架护栏、电气系统、安全保护装置、电缆供电装置等。
三、升降机变频调速系统


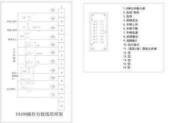
*各航空插座排列端子接线标识图


四、升降机系统调试
4.1 变频调速系统的调试
在确保主电路及控制电路接线正确的情况下,系统开始上电调试。通过变频器上的操作面板设置电机的参数,按照施工升降机的国标实验规则,将进行空载调试、额定负载调试及超负载调试几个阶段。
4.2升降机的安全调试
安全是施工升降机最重要的标准,在系统调试时必须按照国标进行安全测试。在空载调试时,可测试升降机上下限位、吊笼各门等限位开关是否按设计标准动作;在超负载调试,进行超载测试。防坠测试,通常在施工升降机上安装有防坠安全器,防坠安全器是施工升降机上重要的一个部件,要依靠它来消除吊笼坠落事故的发生,工地上使用中的升降机都必须每三个月进行一次坠落试验,坠落试验可通过打开电机制动,使吊笼依靠自身重量在模拟坠落的速度下,看防坠安全器是否动作。
五、结束语
经现场调试验证,该控制系统安全保护设施健全,测试方便,升降机起停时无冲击和下滑现象,运行平稳,减少了对减速机,联轴器等机械设备的冲击,也降低了对电网的冲击,使系统维护方便,提高了工作效率,因此伟创电气S200施工一体化专用变频调速系统在施工升降机上具有很好的推广应用价值。
京公网安备 11011202001138号
