摘要:本方案介绍了四方恒压供水控制单元及E380变频器在多泵恒压供水控制系统中的成功应用,该方案可实现系统的全自动化控制,具有供水压力稳定、配置灵活、接线方便、能耗低等优势。
关键词:E380;变频器;多泵恒压供水;供水控制单元
一、引言
恒压供水系统在工农业生产、日常生活中等有着广泛的应用,这些系统往往不是由一台水泵组成,而是由多台水泵组成的。随着社会主义市场经济的发展,人们对供水质量和供水系统可靠性的要求不断提高,再加上目前能源紧缺,所以利用先进的自动化控制技术,设计高性能、低能耗、能适应不同领域的恒压供水系统成为必然的趋势。本方案拟介绍一种基于四方SIA-100多泵恒压供水控制单元及E380变频器的系统控制方案,以提高多泵恒压供水系统的自动化控制程度及稳定性,并有效降低系统能耗。
二、系统工艺
多泵恒压供水控制系统控制工艺流程如图1所示,由多台泵(电机泵组)、压力传感器、恒压供水控制单元、变频器等组成。压力传感器将随时检测到管道中压力的变化,并将检测到的模拟信号送入恒压供水控制单元,该供水控制单元与设定的压力比较判断后,控制变频器自动调节某台水泵的转速和多台水泵的投入和退出,使管网保持在恒定的设定压力值,满足用户的要求,使整个系统始终保持在高效节能的最佳状态。若用水量很小时,经恒压供水控制单元分析确认后自动停止主供水系统运行,启动休眠泵,以维持管网压力和少量用水,当用水量达到休眠泵不能维持设定的压力时,主供水系统自动启动,休眠泵停止运行,从而提高了系统运行的安全性,并获得明显的节电效果。

图1 多泵恒压供水控制系统工艺流程
三、系统方案
采用四方多泵恒压供水控制单元搭配E380变频器及实现系统的恒压供水控制。系统根据当前管网压力与设定压力的差值,调整当前变频泵的运行频率,若仍然不能达到设定压力,则自动增减供水泵的数量并进行工变频切换。系统各水泵可定时轮换使用,使每个水泵的利用率均等,增加系统可靠性。其系统构成如下图2所示:

图2 系统构成
该方案具有多泵循环变频恒压供水及一主多辅恒压供水两种工作模式:
1. 多泵循环变频工作模式适用于各泵容量相同(休眠泵除外)的供水场合,工作时为一台变频器依次控制每台水泵实现软启动及转速的调节,实现供水恒压;
2. 一主多辅工作模式适用于一台泵容量较大,其余泵容量较小的供水场合,容量较大的一台作为主泵,由变频器驱动,容量较小的泵作为辅助泵,直接工频启动,所有泵不必进行变频和工频之间的切换。
四、方案特点
1.供水模式可选择多泵循环变频方式或一主多辅方式,且可实现定时供水控制,其不同时段的运行压力可灵活设定,能适应不同领域的恒压供水系统控制需求;
2.系统自动化程序高,供水压力稳定,同时可实现系统各水泵的定时轮换控制,保证每台泵能得到均等的运行机会和时间,防止泵的锈死;
3.系统具有休眠功能,可保证最大程度的节能;
4.具有缺水、过载等保护功能及上电自启动功能,系统稳定性高。
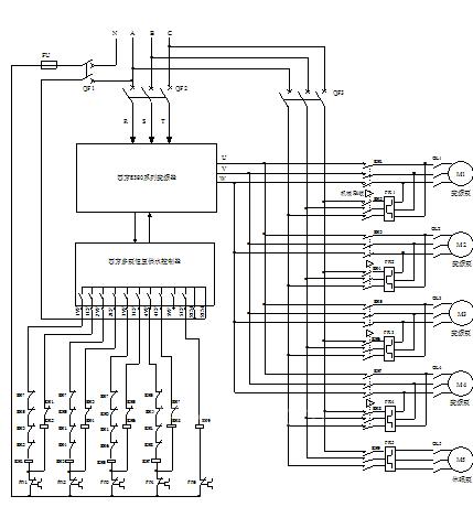
五、方案接线及参数设定
1. 多泵循环变频工作模式
系统接线如下图3所示:

图3 多泵循环变频工作模式接线图
主要设定参数:

2. 一主多辅工作模式
系统接线如下图4所示:

图4 一主多辅工作模式接线图
主要设定参数:

六、结束语
本文介绍了一种基于四方恒压供水控制单元及变频器的多泵恒压供水控制系统方案,该方案只需通过简单的参数设置和外围电路设计,便可满足不同供水控制系统的高效节能要求。具有功能强大、自动化程度高、节能效果显著等优势,系统运行稳定。目前已成功应用于多个恒压供水控制系统中。
京公网安备 11011202001138号
