摘要:为了实现节能降耗,山西某大型煤矿企业针对高压主通风机进行技术改造。根据设备的具体工艺情况,并且分析比较各种可能的技术方案,确定了采用高压变频技术的最佳解决方案。通过对改造前后主通风机运行情况的对比分析,得出改造后电能大幅度降低、提高了主通风机的控制水平的结论。
关键词:煤矿主通风机;节能;高压变频器;功率单元串联多电平
引言
节能降耗已成为我国的基本国策。煤矿企业既是产能大户,又是耗能大户,许多煤矿企业都非常重视高耗能用电设备的节能技改工作。特别是主通风机,设备功率大、24 h不停运转。由于煤矿特殊的工艺要求,该设备存在很大的节能空问。在满足矿井的通风需要的同时,又实现最大程度的节能,本文通过阐述对山西某大型煤矿企业矿井主通风机采用高压变频改造,选用功率单元串联多电平高压变频器,实现了主通风机的电能节约和风量无级自动调节。
1 、设备的工况和节能要求
1.1 、设备参数
煤矿企业主通风机为南阳防爆集团生产的2台防爆对旋式轴流通风机。风机主要参数如下:
型号 BDK65—10一N026
电动机额定功率/kW 2 x 800
负压/Pa 3077~120
风量/m ·s 60~150
额定转速/r-min 990
额定电压/V 10000
额定电流/A 2x 56.3
绝缘等级 F级
1.2 、运行情况
2台对旋风机互为备用,单台电机运行电流在43 A左右,该风机月用电量在63万kWh以上。
1.3 、对设备节能的具体要求
根据矿井具体情况,确定了采用变频方式进行技术改造。
(1)在不影响通风量的前提下,变频设备应大幅度降低原用电设备(指的是煤矿主通风机)的电能,节电量要在20%以上。
(2)在不降低的基础上,能够提高原用电设备的安全性和稳定性。
(3)变频设备自身的使用寿命长,损耗低,日常维护量少。同时能够降低原用电设备的维护量。
(4)变频设备操作方便、不改变原用电设备操作工的操作习惯。操作工在简单培训后就可以熟练操作变频设备。
(5)为了满足未来煤矿的发展需要,变频设备容量留有一定的富裕。
2 、改造方案的确定
经过论证分析,确定了采用功率单元串联多电平型高压变频器根据井下负压值连续控制主通风机的风量的节能方案,利用1台变频器同时拖动1台对旋风机的2台电机,2台对旋风机可以分时使用变频。
2.1 、风量调节方式的选择
矿井生产过程中,井下对风量的需求和通风网络特性经常发生变化,需要经常调节风机的工况点以适应生产要求。《煤矿安全规程》对煤矿井下的通风量有具体规定,小了不能满足要求,大了会使采煤工作面粉尘加剧而且浪费能源,操作工人通过观察井下的负压值高低来判断风量是否适合。
原系统主通风机的风量调节主要是改变叶片安装角度和节流调节,但是节流调节会造成能源浪费;改变叶轮叶片安装角度一方面需停机操作,另一方面也会使风机效率发生变化,通常需调节的幅度较大时才采用。只有根据负压值变化自动调节转速的方式不改变风机的效率,在各个工况点实现不停机调节风机高效状态下运转。
2.2 、调速方式的选择
(1)液力耦合器在电机和负载之间串人一个液力耦合装置,通过液面的高低调节电机和负载之间耦合力的大小,实现负载的速度调节。这种调速方法实质上是转差功率消耗型的做法,其主要缺点是随着转速下降效率越来越低,并且维护工作量大。
(2)串级调速 串级调速必须采用绕线式异步电动机,将转子绕组的一部分能量通过整流、逆变再送回到电网,而现在工业现场几乎都采用鼠笼式异步电动机,更换电机非常麻烦。这种调速方式的调速范围一般在70% ~95%,调速范围窄。容易造成对电网的谐波污染,功率因数低;串级调速电机受转子滑环的影响,大功率无法实现;滑环维护工作量大;属于落后技术。
(3)变频调速方式(根据公式n=60f(1一s)/P)通过高压变频器改变电源频率来调节三相异步电机的转速。这种调速方式调速范围宽、设备使用寿命长、自身能耗低、日常维护量少。缺点是设备造价比较高,但是随着高压变频器大规模的推广,其造价正在逐步降低。通过以上分析可见高压变频方式最为合适。
2.3 、高压变频器种类的选择
高压变频技术由于现有的电力电子器件耐压不足,所以每台产品均需要使用大量的电力电子器件。这些器件组合的多样性,使得高压变频电路组合也很多,当前常用的高压变频器主要有以下几类技术
方案:
(1)高低高方式
即变频器为低压变频器,采用输入降压变压器,先把电网电压降低,然后采用1台低压变频器实现变频;对于电机,则有2种办法:①改用低压电机;②仍采用原来的高压电机,需要在变频器和电机之间再增加1台升压变压器,即高一低一高变频方式。这种做法由于采用低压变频器,容量也比较小,对电网侧的谐波较大。
(2)三电平电压型高压变频调速方式
三电平电压源型高压变频技术通过独特的二极管钳位(或者其他的钳位)方法,可以使系统的输出电压增加一个电平,与两电平相比较,这种方式的相电压可以有3个电平输出,故称为三电平。同时每个电力电子器件所承受的耐压只有直流母线电压的一半,所以采用这种方式,可以使电力电子器件的耐压要求降低一半,当采用一些高压的全控型器件,如高压IGBrI1、IGCT、ⅢCI1、GTO晶闸管时,可以直接实现高压输出。由于控制上难度较大,这种方法目前应用比较少,技术尚不成熟,所以不采用。
(3)功率单元串联式多电平高压变频方式
功率单元串联式多电平高压变频产品是在输入端设置1台输入隔离变压器,将输入高压交流电变成多组低压交流电,每组低压交流电分别输入到1个功率单元,经整流滤波为直流电后,再经逆变成为交流电,各功率单元的交流信号在逆变侧串联成为高压交流输出供给高压电动机。为了减少输入谐波,变压器的每个二次绕组的相位1次错开1个角度,形成多脉冲、多重化整流方式。其逆变输出采用多重PWM方式,输出谐波非常小。这种方式采用低压器件实现高压变频输出,器件无需串联,输入输出谐波非常小,是一种成熟稳定的高压变频技术。
本次改造选用的就是功率单元串联式多电平高压变频器产品。
2.4 、控制方式的选择
由于进行的是设备节能改造,所以在保证稳定性的前提下,成本是优先考虑的。一拖二方式在性能上基本与一对一方式相同,工程造价上降低50%以上的费用。以下是2种方式的介绍:
(1)一对一的方式
一对一的方式即变频器与电机一对一方式。由于对旋风机为2台风机首尾相对放置,那么1台对旋风机就需要2台变频器。这种方式的优点是控制简单,系统稳定性高。由于4OO kW以下的高压变频器原材料成本几乎一样,所以这样的工程造价将非常大。如果把备用的对旋风机也全部配齐的话,整个工程造价将又翻一倍。
(2)一拖二的方式
一拖二方式就是1台变频同时拖动1台对旋风机的2台电机,2台对旋风机可以分时使用该变频器。这种方式缺点是控制系统复杂,安装调试时间长。但是优点是整个工程造价低(比一对一方式降低一半以上费用),设备使用率高。
3 、高压变频设备介绍
通过对各方面比较,决定采用高压变频器对主通风机进行改造。选用了深圳市英威腾电气股份有限公司生产CHH100-1600-10的高压变频器。
(1)高压变频器的主要性能指标
变频器容量/kVA 1900
输入频率/Hz 0~50
额定输入电压/kV 10.0(±10%)
输出频率范围/Hz 一50~+50
过载能力/% 120(1 min);150立即保护
性能满足相关指标:IEEE519—1992《电源系统谐波控制推荐规程和要求》;GB/T14549—1993《电能质量公用电网谐波》。
(2)性能主要特点
①高压变频调速系统采用直接“高一高”变换形式,为单元串联多电平拓扑结构,主体结构有多组功率模块并联而成;采用单元串联叠波技术、空问矢量控制的正弦波PWM调制方法。
②变频装置控制采用LED键盘控制和人机界面控制2种控制方式,2种方式互为备用,2种方式从就地界面上可以进行增、减负荷,开停机等操作。装置保留至少一个月的故障记录。
③在20% ~100%的调速范围内,变频系统在不加任何功率因数补偿的情况下,本机输入端功率因数达到0.97以上,减少无功输入,降低了供电容量。
④变频装置对电网电压的波动有较强的适应能力,在一10% ~+10%电网电压波动时能满载输出。可以承受35%的电网电压下降而正常继续运行,能适应煤矿电压大幅波动的电网环境。
⑤变频装置设以下保护:过电压、过电流、欠电压、缺相保护,短路保护,失速保护,变频器过载、电机过载保护,半导体器件的过热保护,瞬时停电保护等,联跳至输入侧10 kV开关。保护的性能符合国家有关标准的规定,并提供故障、断电、停机等报警。
(3)具体控制方案
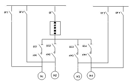
如图1所示,此系统由QF、QF1 ~QF4,高压变频器、自动切换柜(QS1 ~QS4,KM1 ~KM4组成)、电动机M1 ~M4组成。高压开关柜为变频器馈电,并为其提供保护,保护主要有速断保护、过载保护、过电压保护,其整定值根据变频器额定值计算。变频器与高压柜之间的联锁关系有:
①合闸闭锁将变频器“合闸允许”信号串联于高压开关合闸回路。变频器故障或不能就绪时,高压开关(断路器QF)合闸不允许。
②故障分闸将变频器“高压分断”信号并联于高压开关分闸回路。当变频器出现故障时,分断变频器高压输入。
③隔离开关、真空接触器以及高压断路器之间的闭锁关系KM1 与KM 4电气互锁;KM1 与KM3,电气互锁;KM2 与KM3 电气互锁;KM2与KM4,电气互锁;控制同一台电机的高压断路器和真空接触器同时只允许一个闭合,如QF闭合,则KM1 不允许合闸,KM 1合闸,则QF 不允许合闸。
④当M1 正转M2 同时反转时,即拖动一台对旋通风机变频运行时,断开QF1、QF2,分别合上QS1 、Q S2、KM1 、KM2:、QF;当变频器出现故障时,由另一台对旋式风机运行,即断开QF、KM1 、KM2、QS1 、QS2,合上QF3、QF4、KM3、KM4。
⑤ 当变频器出现故障或需要检修时,只要断开QF和QS1 ~QS4即可。变频器具有反风功能。柜门上有1~4 风机运行指示,KM1 ~KM4,分闸和合闸指示。

图1 电气控制电路图
4、 变频设备运行情况
变频器投入运行后,变频器显示采用中文图形界面,触摸屏操作,生动直观,变频器的运行状态一目了然,各种运行数据可在触摸屏上查询,便于操作人员及时了解变频器的运行情况。变频器操作简单,两级风机可以同时起动,可在3 min之内起动至高速,短时间内达到所需风量。缩短的起动时间确保了生产安全。反风操作比以前简单可靠,完全可满足1Omin内实现反风的要求。根据实测累计节约电能50586 kWh/d。变频器投入运行以来一直运行稳定,输出频率、电压和电流符合要求,变频器网侧实测功率因数为0.976,效率均高于96%,满载时网侧电流谐波总容量小于3% 。
京公网安备 11011202001138号
