一、前言
复合机是包装印刷行业中重要设备,是将两层或两层以上相同或不同的材料如布和布,布和纸,布和人造革以及各种塑料、橡胶片材卷材把它们加热到溶化、半溶化状态或者用一种特制粘合剂复合为一体的机械。
二、复合机介绍
一般说的复合机是指家纺、服装、家具、汽车内饰及其它相关产业中一种复合设备,主要用于各类布料、皮革、膜、纸、海绵等二层或多层的贴合生产工艺。具体又分为有胶复合和无胶复合,有胶复合又分为水胶、PU油胶、热熔胶等,无胶复合工艺多为材料之间直接热压粘合或用火焰燃烧复合。
常见的复合机的分类有:喷胶复合机、胶点转移复合机、火焰复合机、网带复合机和双胶复合机。
1、控制系统现状
行业中目前常用的方案:收卷张力通过磁粉离合器或力矩电机来控制,第一、第二放卷张力通过磁粉制动器来控制。烘箱段张力的控制主要是通过浮辊电位器来检测速度的偏差,通过电位器手动或通过同步控制板来自动调节复合电机与上胶电机速度的同步来保持恒张力。
2、目前存在的问题
A、在很多经济型复合机中还是采用滑差电机作为上胶电机和复合电机的首选,导致耗能大、维护繁琐、转速不稳。
B、磁粉离合器因为在小卷及大卷时过大的滑差,以及在收大卷时需要输出大转矩即需要更大的电流,从而造成的磁粉发热因而容易损坏。
C、力矩电机在控制收卷时由于在小卷及大卷时需要保持一定的张力锥度,所以经常人为调节力矩大小,来保证内紧外松的收卷效果。不同的操作人员生产出来的产品差别较大。而且力矩电机调速范围较小。
D、用同步控制板来调节烘箱段张力调试较麻烦,一般在加减速过程中浮辊不稳定,而且由于非专业制造此同步板是复合机的一个故障点。如果用电位器来手动调节同步,操作比较麻烦,而且人为影响因素较大,造成同步失灵现象的发生。
三、复合机工艺及电气方案
该设备放卷材料是厚度为0.08mm,宽度为900~1200mm 的薄膜,对放卷有如下要求:
l 收卷和放卷速度稳定。收卷和放卷速度为20~200m/min,可平稳启动停止
l 张力均衡并可调。按照设定的张力,保持最小的波动范围,保证纸张放卷的松紧度。同时,根据材料的宽幅和最大卷径不同,可方便调节设定张力。
l 放卷辊力矩方向能切换。纸张上胶水面不同时,需要翻转,力矩方向就必须改变。
l 由于是被动放卷,放卷电机是工作在发电模式,为保证变频器不过压,必须加刹车电阻。
l 收卷张力随卷径的增大而减小,实现内紧外松的最佳收卷效果。
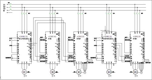
此复合机是处理塑料薄膜工艺中(如薄膜印刷)的一个重要设备,如下图所示。本系统中,薄膜卷通过放卷架放卷,然后通过涂胶槽涂胶,进入复合牵引辊后,在复合控制箱中进行加热处理,再与另外一层薄膜进行复合,最后由收卷电机进行收卷。

复合机系统图
系统方案说明:
伟创AC90最常用的是张力开环控制,无需张力检测机构,系统结构简单。变频器工作在转矩模式下,所以首先变频器应该工作在闭环矢量模式下。需要加装旋转编码器,而且编码器的安装最好是安装在电机轴上。如果需要控制的张力较小,则编码器的脉冲数不要低于1000,若需控制张力较大,用600线以上的编码器则可。
1、 放卷结构
一层放卷变频器用伟创AC90张力专用型,功率为2.2kw。采用开环张力转矩控制模式,被动放卷,并加编码器,做闭环矢量控制,保证转矩的稳定性。生产速度由系统涂胶驱动变频器给定。开环张力转矩控制不需要张力反馈,变频器靠输出转矩达到控制张力的效果,故系统结构简单。但当前转矩的输出值依赖卷径计算,设置好卷径计算相关参数是非常重要的。在该设备中,采用线速度信号方法计算当前卷径。即采用系统涂胶驱动变频器给定的运行频率模拟输出信号作为线速度信号,将的涂胶驱动变频器最高频率对应的最大线速度计算出来 。
二层层放卷变频器用伟创AC90张力专用型,功率为2.2kw。采用开环张力转矩控制模式,被动放卷,并加编码器,做闭环矢量控制,保证转矩的稳定性。生产速度由系统复合驱动变频器给定。开环张力转矩控制不需要张力反馈,变频器靠输出转矩达到控制张力的效果,故系统结构简单。但当前转矩的输出值依赖卷径计算,设置好卷径计算相关参数是非常重要的。在该设备中,采用线速度信号方法计算当前卷径。即采用系统复合驱动变频器给定的运行频率模拟输出信号作为线速度信号,将的复合驱动变频器最高频率对应的最大线速度计算出来 。
2、收卷结构
伟创AC90变频器是一种可以实现收卷或放卷过程的恒张力控制的变频器。可以通过变频器内部的计算,获得材料的实际卷径,通过控制变频器的输出转矩来获得恒张力控制。伟创变频器可以通过设置系统惯量补偿、摩擦补偿及材料惯量补偿来补偿由于系统惯量、磨擦阻力及材料惯量引起的起动或加速过程中速度不均匀的情况,获得非常平稳的张力控制效果。方案简单,调试方便。AC90还可以通过设置张力锥度系数,使得收卷张力随卷径的增大而减小,实现内紧外松的最佳收卷效果。
3、涂胶机构和复合机构
由于系统的线速度较高,涂胶和复合机构采用伟创AC80B高性能矢量变频器,频率通道均主加辅的模式,主速度运用UP/DOWN的方式,能够同时几个地方增减车速,辅助速度由电位器给定,系统中的涂胶辊和复合辊上都有精密测速装置,两辊的线速度可以通过电位器进行微调,使得车速在高速时得到稳定运行。
另外在现场安装时,一定要注意机身要良好的接地。特别是一些干燥少雨的地区,对接地端要进行特殊处理。否则,变频器工作时机器表面积聚的静电可能会引起火灾。

系统电气原理图
四、系统方案优势
1、系统速度响应迅速,电机之间运行同步,保证了复合材料的恒张力传送。
2、生产线速度在高速运行时,系统稳定、张力稳定。
3、电机加减速过程平缓,降低了设备故障率。
4、伟创变频器能低速稳定性好,可在0.3HZ以上平稳运行。
5、系统操作运行方便,节点少,调试简单,方便维护。
五、总结
实践证明本方案具有良好的电机同步控制性能,使线速度保持一致,实现了复合材料的恒张力传送,使复合材料在生产过程中松紧度一致,提高了复合产品质量和产量。
京公网安备 11011202001138号
