一、引言:
现代印刷机一般由装版、涂墨、压印、输纸(包括折叠)等机构组成。它的工作原理是:先将要印刷的文字和图像制成印版,装在印刷机上,然后由人工或印刷机把墨涂敷于印版上有文字和图像的地方,再直接或间接地转印到纸或其他承印物(如纺织品、金属板、塑胶、皮革、木板、玻璃和陶瓷)上,从而复制出与印版相同的印刷品。印刷机的发明和发展,对于人类文明和文化的传播具有重要作用。
二、公司介绍:
瑞安某印刷机械有限公司坐落于瑞安经济技术开发区宏远路1025号。离瑞安高速公路进出口3公里,离温州机场30公里,距瑞安火车站5公里。便捷的交通网络和优越的地理位置为我公司提供良好的外部环境。
三、用现场及设备:


四、应用现场工艺要求:
现场要求低频转矩大,低速加工零件速度稳定,速度偏差在10转以内,动态响应快,反应时间在0.1秒,制动效果好,电机高速运转下在2秒内刹车,电压有波动时保持输出稳定。
五、利用何种功能解决此应用要求:
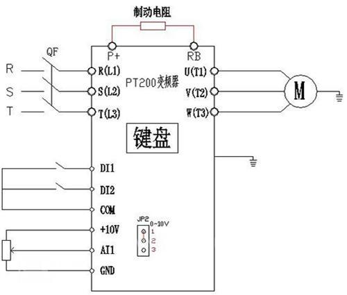
欧科变频器在0.5HZ输出180%转矩,正确设置转矩提升功能,保证电机的机械硬特性,使加工过程更稳定,外接制动电阻实行能耗制动快速停机,变频器的AVR功能在电网电压±10%波动时保持输出电压稳定,多功能输入端子DIx控制启停,外接电位器调速,不同的加工件采用不同的速度,产品适应性广,完全满足用户需求。
六、电气接线图,参数设置:
接线图

参数设置如下表

七、此工况变频器的日常保养和维护、注意事项等:
1. 此工况环境较差,需定期清理维护,确保变频器通风良好,有利于散热;
2. 强烈建议变频器有良好接地,切勿零线地线共用;
3. 建议变频器控制线和主回路分开走线,如无法避免,建议控制线与主回路垂直走线;
4. 避免金属铁屑进去变频器控制柜造成短路;
5. 制动电阻制动时会发热,请勿触摸,以防灼伤。
京公网安备 11011202001138号
