一、引言
酥饼一体机由一道擀面加馅主机、捏花成型机两台配套单机组成。与一般的酥饼机相比,该机器主机整合了擀面机与加馅机,使整个工艺更方便流畅。以往的酥饼机产量低,人工成本高,而且还存在着比较高的消耗,而采用变频无级调速装置可以实现皮和馅的任意配比,大大的降低了人工需求,并有效的控制了生产中的消耗。

图1
二、酥饼机的工艺介绍:
面皮经过两道压面轮和捍面装置的辗压延展,使面皮更有光泽、品质更加稳定。每道压面轮皆有厚薄调整装置来设定面皮之厚度以增加或减少产品的重量;面皮在通过压面轮与擀薄装置间均由接近开关控制速度,使面皮不会因主机输送速度过快而断裂或过慢而阻塞;经过最后一道主机压面轮,面皮会落在主机输送带上,通过加馅部件加馅,再经由卷轮及辅助卷轮将面皮卷成条状;最后经过捏花成型机成型,成型机可设定其切断长度以决定产品的长度尺寸及重量大小,整个加工工艺如图2。

图2
三、电气方案介绍
1、原有的PLC控制系统方案,由触摸屏、PLC+模拟量模块+通讯模块、变频器、调速模块、接触器、空气开关组成(如图3):

图3
2、V350扩展卡控制系统方案,有触摸屏、变频器、调速模块、接触器、空气开关组成(如图4):

图4
3、新旧方案对比

设备的稳定运行程度决定了系统方案的优劣,系统方案的优劣又决定了系统的配置。
四、调试方案
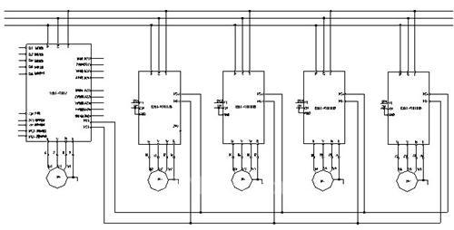
1、电气配线图:

图5电气配线图
2、主要调试参数:
V350变频器:
F0.2.25=16MODBUS总线设定频率
F0.3.33=2MODBUS总线控制启停
F1.0.03=2加速时间2秒
F1.0.04=1减速时间1秒
FF.2.35=180欠压动作水平
E550变频器:
F0.00=2MODBUS总线设定频率
F0.02=1001外部端子启停
F2.18=2自动稳压有效
F3.11=180欠压保护水平为180V
五、小结
通过实际的生产运用,将本方案应用于酥饼机,系统响应速度更快,稳速精度更高,降低了系统成本。实践证明,本文介绍的一体化系统方案是一种高稳定、性能可靠的、能满足现代要求的酥饼机电气系统方案。
京公网安备 11011202001138号
