GD300-EP专用功能说明:
Goodriver300系列EPS专用变频器采用模块化设计,标配市电同步卡,满足客户在EPS电源系统锁相、欠压报警、自动限流、支持全系列直流输入、高静音、输出电压更接近的正弦波的前提下,同时提供了丰富的外接端子,支持多种控制,稳定的PID电压反馈通道,确保负载变化的情况下,输出电压的稳定性。

应用场合:
消防应急EPS电源: 消防用动力型EPS、快速切换电源。
岸电电源: 低压、中压岸电电源
大功率变频电源: 实验室电源、化纤电源等满足稳压稳频、独立调压、独立调频等功能
电磁搅拌电源: 冶金连铸设备
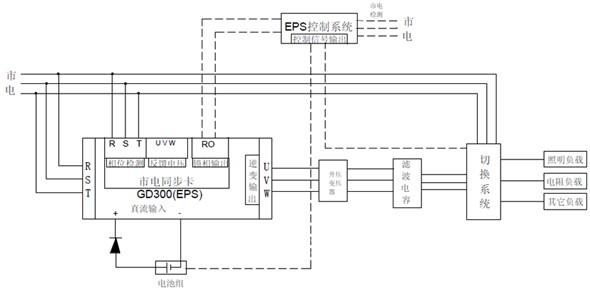
方案说明:
系统应用框图如下:

EPS应急电源系统主要由逆变部分、电池部分、输出升压滤波部分、切换控制部分组成。
逆变部分为我司EPS专用变频器,输出电压根据需要设定,在市电有正常时,逆变输出保持同步空载输出,并向系统控制器输出同步信号,市电提供空载输出用电,市电掉电时,负载切换到后备电源,电池组通过直流母线提供负载用电。
电池组部分由蓄电池与充电装置组成,输出直流电压,其输出正端通过正向二级管与变频器母线正极连接(防止市电正常时母线电流倒灌到电池),市电正常时,电池组处于充电状态。
输出升压率波部分由一个升压变压器与滤波电容构成,保持输出电源为客户需要的稳压稳频电源。
京公网安备 11011202001138号
