摘要:相对于传统的水箱和水塔的供水,变频恒压供水具有众多的节电节水、不对水资源造成污染等优点。本文系统而全面的阐述了INVT-CHV160供水专用变频器的特点以及在恒压供水系统中的应用。
关键词:变频器 恒压供水 PID控制
前言
水是人类最宝贵的资源,是人类生存的基本条件,又是国民经济的生命线,水工业是以城市及工业为对象,以水质为中心,从事水资源的可持续开发利用,以满足社会经济可持续发展的所需求水量作为生产目标的特殊工业。在水的开采、加工、输送利用过程中,供水设备是其必不可少的工具。
一、供水现状与恒压供水设备
一般规定城市管网的水压只保证6层以下楼房的用水,其余上部各层均须提升水压才能满足用水要求。传统的方法是水塔、高位水箱或气压罐式增压设备,其设备一次投资费用高,并且必须由水泵高于实际用水高度的压力来提升水量,其结果往往增大了水泵的轴功率和能量损耗,在使用这些传统的供水方式,还容易造成水的二次污染。
根据工业生产、生活、农业节水灌溉工程等用水的要求,应用CHV160系列的供水专用变频器,可快速装配成恒压供水系统。它集变频调速技术、PLC技术、PID控制技术等为一体,可组成完整的闭环自动控制系统。
二、恒压供水原理
供水自动控制系统工作时,设备通过安装在供水管网上的高灵敏度压力传感器来检测供水管网在用水量变化时的压力变化,不断向变频器传输变化的信号,经过微电脑判断运算并与设定的压力比较后,向控制器发出改变频率的指令,控制器通过改变频率来改变水泵电机的转速与启用台数,自动调节峰谷用水量,保证供水管网压力恒定,以满足用户用水的需求。CHV160恒压供水原理图如下:

三、恒压供水优点
CHV160系列供水专用变频器设计理念源于丰富的工程实践,具有以下优点:
1.多段压力设定:每天可达八段压力设定,可随时间不同,更改压力给定量。如为适应生活供水中的3个用水高峰期的流量波动,设置三个高压力供水时段。
2.休眠控制功能:
能使系统进入休眠控制状态,并能控制专用的休眠小泵,如参数设置休眠唤醒使能,将能唤醒工变频运行;特别适合夜间供水急剧减少的时刻。

3.定时轮换功能:
经过设定的时间,让系统中的水泵进行轮换,使系统中的所有水泵轮流参与运行工作,有效地防止泵的锈死现象,提高设备的综合利用率。降低维护费用。当泵的容量基本相同时,选择定时轮换功能比较合适,以免造成系统工作的震荡。
4.进水池液位检测及控制功能:
对清水池的液位进行检测及控制,当进水池水位由高到低变化,水位高于下限水位时,系统按照正常设定压力运行;当水位低于下限水位而高于缺水水位,系统按照非正常备用压力运行;当水位低于缺水水位时,系统停止所有的运行。
当进水池水位由低到高变化,水位低于下限水位前,系统不运行;当水位高于下限水位而低于上限水位,按照非正常备用压力运行;高于上限水位后,系统恢复正常压力运行。
5.压力容差范围调节功能:
PID调节有容差范围,当反馈压力在设定压力值的偏差极限内,压力调节器停止调节,以提高压力调节系统的精度与稳定性。

6.平滑的水泵切换功能:
当进行加减泵时,始终保持一台变频泵运行中,以使管网的压力不会突变。对变频泵投切到工频泵,可设定变频泵投切频率,变频泵运行在较高的频率,再投切到工频运行,保证管网压力的稳定。

根据接线图,现场供水设备安装于电气线路接线如下图片所示:

7.排污泵控制功能: 通过对排污泵的控制,实现对污水池的水位进行控制,实现自动排污。 8.丰富的保护功能: 可对系统进行全方位的保护。
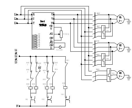
某公司使用英威腾CHV160供水专用变频器,要求拖动两台水泵进行变频恒压供水,要求使用休眠功能、能够屏蔽故障泵,并能实现瞬间掉电再起动。变频器线路接线图如下所示:
根据接线图,现场供水设备安装于电气线路接线如下图片所示:
根据用户的要求,本例中调节变频器参数如下所示:
P0.01 运行指令通道 1:端子指令通道。
P1.15 停电再起动选择 1:允许再起动。
P2 整组参数根据实际值输入
P4.12 上电时端子功能检测选择 1:上电时端子运行命令有效。
P5.02 S1端子功能选择 1:正转运行。
P5.03 S2端子功能选择 41:电机A无效。
P5.04 S3端子功能选择 42:电机B无效。
P5.05 S4端子功能选择 43:电机C无效
P5.17 AI1上限值 5.00V。
P6.04 继电器1输出选择 3:故障输出。
PF.00 供水模式选择 1:通用供水模式。
PF.01 供水压力设定源选择 0:数字设定。
PF.02 供水压力数定设定 根据实际需求设定(现设为50.0%)。
PF.03 压力反馈源选择 0:AI1反馈设定。
PF.11 A水泵类选择 1:变频控制泵。
PF.12 B水泵类选择 1:变频控制泵。
PF.13 C水泵类选择 3:休眠专用泵。
PF.18- PF.20 水泵额定电流 根据电机实际电流值输入。
PF.25 RT1输入功能选择 1:连接A泵变频控制。
PF.26 RT2输入功能选择 2:连接A泵工频控制。
PF.27 RT3输入功能选择 3:连接B泵变频控制。
PF.28 RT4输入功能选择 4:连接B泵工频控制。
PF.29 RT5输入功能选择 6:连接C泵工频控制。
PF.47 当前时间 输入当前时间(使用休眠泵一定要设此参数)。
PF.48 压力段数选择 1
PF.49 T1开始时刻 00.00。
PF.50 T1时刻压力 根据实际要求输入(现设为40%)。
PF.51 T2开始时刻 23.59。
PF.65 休眠时段选择 1。
PF.66 休眠压力容差 根据实际要求输入(现设为1%)。
PF.67 休眠加减泵延迟 根据实际要求输入(现设为6)。
PF.68 休眠唤醒使能 1:有效。
根据上述参数调整,恒压供水设备正常运行。两台变频泵根据供水量的需求,进行自动切换,并对新投加的水泵进行变频起动,对管网的冲击小;满足休眠条件,两台变频泵停止运行,休眠小泵投入运行,满足唤醒使能条件时,变频泵重新投入运行。
四、 总结
将变频控制技术运用于恒压供液领域,控制上增加专用的控制模块,提供了一种优化的恒压供水方案,使用此专用变频器组装供水自动控制系统,具有投资少,自动化程度高,保护功能齐全,运行可靠,操作简便,节水节电效果显著,尤其对水质不构成二次污染,具有优异的性能价格比,是取代水塔、高位水箱、无塔上水器的最理想设备。
京公网安备 11011202001138号
