引言
直接转矩控制是一种高性能的交流调速技术,它直接在定子坐标系下分析交流电机的数学模型,控制电动机的转矩和定子磁链,简化了系统的结构。但是直接转矩控制强调转矩和定子磁链控制,对转矩和定子磁链空间位置计算精度要求很高,因而系统构成比较复杂,要实现有效的直接转矩控制,高性能的单片机是必不可少的。德州仪器的TMS320F240数字信号处理单片机专门针对电机控制系统设计,本文介绍它在直接转矩控制中的应用。
1 直接转矩控制系统简介
直接转矩控制系统原理图如图1。

图1 直接转矩控制原理图
在图1中,适当控制逆变器的开关Sa、Sb、Sc(包括Sa、Sb、Sc下桥臂非门)的状态,就能够得到八种空间矢量电压,除两种是0矢量外,另外六种矢量构成正六边形的六条边,在异步电机上得到旋转的定子空间磁场,并且通过0电压矢量调节定子磁场的平均旋转速度。
为了得到图1中的正六边形轨迹磁场(用来替代三相交流电产生的圆形轨迹磁场),确定磁场的空间位置成为重要的工作环节。根据-isRs)dt可以求出定子磁场的大小,但为了减少电压和电流传感器的数量,通常只使用两相传感器,通过计算再得出另外一相电压和电流。
2 控制系统的硬件组成
本系统以TI公司的TMS320F240数字信号处理单片机为核心,控制日本FUJI生产的IPM(智能功率模块),从而把直流电压转换成交流矢量电压,驱动异步电机运转。其基本工作过程是:首先根据外部给定的转速和转矩要求,计算出定子磁场的幅值,然后建立定子磁场,最后施加工作电压产生旋转定子磁场。因此,我们按照图2的硬件结构结合DSP单片机的特点设计系统。

图2 直接转矩控制结构图
由于TMS320F240本身带有A/D转换器,所以我们没有必要再外加A/D转换。同时,电机的转速采用软件计算获得,因而没有速度检测环节,使系统硬件最小化。
[DividePage:NextPage]
图3 系统硬件框图

图4 IPM模块使用电路图
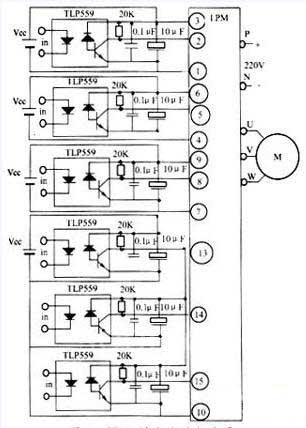
IPM智能功率模块是集成功率开关元件,在系统中的位置举足轻重。FUJI生产的6MBP50RA060型IPM采用低电平有效触发,在使用过程中要注意。
3 DSP处理器扩展设计的说明
F240型号的微处理器专门针对电机控制而设计,片内集成有许多外设,我们可以利用的有:
(1)两个十位的A/D转换器,每个A/D转换器可以转换八路模拟量,因此,片内共有十六路A/D转换通道,不需A/D转换扩展。
(2)16k的闪存EEPROM,可以直接作为程序存储器,不需要程序存储器扩展。
(3)数字I/O接口,在适当写入IOSR寄存器时,可以当作输入输出接口使用,在本系统中,由于直接从I/O接口输出控制矢量,并且要求控制矢量能够延续一个控制周期,所以我们对I/O接口外加了锁存器。其电路图见图5。

图5 扩展锁存器电路图
(4)尽管F240内部有产生脉冲信号的PWM发生器,但是不便于在任意时刻产生任意方向的控制矢量,因而放弃使用。
(5)其它如定时器等,后文给出了软件代码。
[DividePage:NextPage]
4 控制系统的软件设计
根据实际硬件设计和完成控制任务的需要,我们首先要求出IPM模块的开关频率和定时器的定时长度。IPM模块的工作频率为100kHz,所以定时器的中断间隔应为10μs。根据定时器中断频率计算公式:
可以计算出PRD和TDDR的值,他们分别对PSC和TIM进行加载。式中TINT指定时器中断,PRD指定时器周期寄存器,TDDR指定时器清除寄存器,PSC指定时器前置分频计数器,tc(co)为时钟周期。
图6给出了系统软件流程图,下面给出定时器(timer)使用的源程序代码:

clrc CNF;把B0映射为数据存储块
ldp#0h;DP=0
setc INTM;关闭所有中断
splk#0000h,60h;
out 60h,wsgr;设置为0
周期等待


图6 系统的软件框图
5 结束语
近年来,交流调速发展迅猛,大有取代直流调速之势。交流调速的控制理论日趋完善,高性能的单片机又为这些理论的实践提供了硬件保障。本系统采用直接转矩控制策略,尽量减少硬件投入,不仅大大节省了硬件成本,而且可靠性高,调速性能良好。
京公网安备 11011202001138号
