1 引言
我国的电动机用电量约占全国发电量的60%~70%,风机、水泵设备年耗电量约占全国电力消耗的1/3,造成这种状况的主要原因是:风机、水泵等设备传统的调节方法是通过调节入口或出口的挡板、阀门开度来调节给风量和给水量,其输出功率大量地消耗在挡板、阀门的截流过程中。由于风机、水泵类大多为平方转矩负载,轴功率与转速成立方关系,所以当风机、水泵转速下降时,消耗的功率也大大下降,因此节能潜力非常大,最有效的节能措施就是采用变频调速器来调节流量、风量,应用变频器节电率一般为20%~50%,而且通常在设计中,用户水泵电机设计的容量比实际需要高出很多,存在“大马拉小车”的现象,效率低下,造成电能的大量浪费。因此推广交流变频调速装置效益显著。
2 改造前引风机运行能耗分析
某热电厂为2台410t/h循环流化床(cfb)锅炉,总装机容量为100mw汽轮发电机组,主要向某大型化工厂提供热电供应,供电标煤耗为360g/kw·h,高于行业平均水平。2台cfb锅炉各挂有2台高压引风机,型号为ykk630-6w-1250kw,变频改造前,额定1250kw的引风机电机正常运行负荷为830kw左右,其输出功率通过风门开度进行调节,正常状况下,风门开度基本维持在40%左右,相当大的一部分电能消耗在风门挡板上,能源浪费严重,节能潜力巨大。
3 节能改造原理分析
3.1 通用高压变频器简介
在交流异步电机的诸多调速方法中,变频调速的性能最好,调速范围大,静态稳定性好,运行效率高。通用变频器的工作原理如图1所示。

图1中,整流器的作用是把三相(或单相)的交流电整流成直流电。逆变器的作用是有规律地控制逆变器中主开关器件的通与断,可以得到任意频率的三相交流电输出。中间直流环节和电动机之间总会有无功功率的变换,这种无功能量要靠中间直流环节的储能元件(电容器或电抗器)来缓冲。控制电路:常由运算电路、检测电路、控制信号的输入、输出电路和驱动电路等构成,主要任务是完成对逆变器的开关控制、对整流器的电压控制以及完成各种保护功能等。
3.2 西门子罗宾康完美无谐波变频器原理
本次设备改造选用了西门子罗宾康完美无谐波变频器,型号为ph-6-6-1250,变频器的电路图如图2所示。输入隔离变压器t1的每一个次级仅供给一个功率单元,每个功率单元通过光纤接收调制信息以产生负载所需要的输出电源频率,每个功率单元可分为整流部分、直流环节和逆变部分。

[DividePage:NextPage]
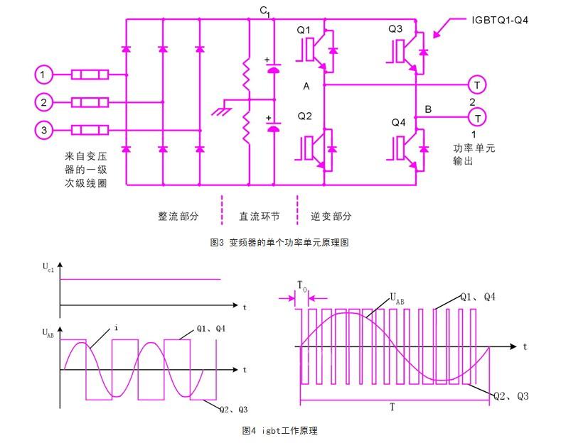
单个功率单元原理图如图3所示,igbt工作原理如图4。当igbt q1、q4同时闭合时,电机上的电压为a点高,b点低;igbt其重要q2、q3同时闭合时,则电机上的电压为a点低b点高。这样和连续不断地交替开合,在电机两端就形成了一交变电压,也就是交流电。西门子完美无谐波变频器通过将多个低压功率单元(690v)的输出叠加起来得到近似于正弦波的中压(6kv)波形。图5为3个功率单元叠加后输出的近似正弦波波形。


3.3 引风机变频调速节电原理的计算
以2#炉引风机作为例,先分析改造前2#cfb炉2台引风机(2a、2b)的运行工况和基本参数,如表1所示。

(1)2a引风机改造前工频运行功率
p1 =u×i×1.732×cosφ
=6.3×90×1.732×0.85
=835kw
其中运行功率因数cosφ取0.85。
(2)2a引风机改造后变频运行预计功率

按当地0.72元/kw·h平均外购电价(含税)和全年330天运行时间计算:
2a引风机每年节约电费约(835-436)×24×330×0.72=227.5万元
将2a引风机改造前后的用电消耗数据对比,列表如表2所示。

[DividePage:NextPage]
4 工程应用
4.1 引风机变频控制方案的确定
基于上节分析,该热电厂对2台炉的各一台引风机进行变频改造。同时,为满足化工厂连续供热供电的要求,该引风机高压变频器应具备在线工、变频互相切换功能,即变频器故障可以自动切到工频运行,变频修复后,可以人工切回变频运行,而不影响锅炉连续正常运行。

引风机变频改造后的一次系统图如图6所示,dl是厂用变电所732#柜断路器;j1、j2、j3是与变频器配合使用实现工频/变频互相切换的断路器,变频控制方案如下:
(1)j1和j2闭合,j3断开为变频状态;j1和j2断开,j3闭合为工频状态。
(2)可通过dcs控制变频器输出频率。当选择自动时,按炉膛负压设定值自动调节输出;选择手动时,输出值由操作人员手动输入,输入值为0~100%,对应于变频器输出0~50hz。
(3)人工变频转工频:由dcs发信号,使j1和j2跳闸后,再使j3合闸,完成后,需要人工在dcs画面对变频转工频复位,变频转工频完成。
(4)变频器故障时转工频:出现变频器故障时dcs系统立即发出报警,把入口风门回关到一定开度(40%),同时变频器故障时发信号使j1和j2跳闸以及时间继电器sj得电,延时使j3合闸,变频转工频完成。此时炉膛负压会有一定波动,操作人员可以进行人工干预,确保锅炉压力平稳。
(5)工频转变频:由dcs发信号使j3分闸,j1合闸。延时2s后,j2合闸(躲开电机反电动势的影响),工频转变频完成。
(6)引风机变频控制操作流程方案,如图7所示。

4.2 调试情况
4.2.1 第一次调试(电机空载)
(1)变频切工频试验:人工从远方dcs发变频切工频命令,j1、j2断路器跳闸,j3断路器合闸,电机由变频转入工频运行,切换成功,电机运转正常。
(2)工频切变频试验(第一次):dcs发工频切变频命令,j3跳闸,j1、j2合闸,j1、j2合闸后,变频器的过电流(ioc)报警动作,再次跳开j1、j2后合j3切回工频运行。工频切变频不成功。
(3)我们考虑可能是电动机的反电势与j1上侧电源不同期,造成变频器ioc动作,于是将j2合闸辅助触点串入j1,使j2合闸后j1才能合闸。
(4)工频切变频试验(第二次):电机启动后,人工跳j3,合j2,此时未合上j1,随即变频器输出“ioc”报警,因变频故障自动回切工频,因此可以证明,“ioc”来自j1合闸及变频器启动之前。
(5)经过上一步可以确认,ioc报警是由于电动机的反向电动势造成的,为躲开电机反电势的影响,我们对控制回路进行改造,串入时间继电器sj,即j3跳闸后,延时合j1、j2,初步整定延时时间为4s。
(6)工频切变频试验(第三次):由dcs发工频切变频命令,切换成功,由于是此时电机为旋转负载,变频器对运转的电机进行捕捉再起动,时间较长,经过约50s,电机才达到了正常额定转速1000r/min,不能满足炉膛压力(±2.5kpa)的需要。
(7)工频切变频试验(第四次):将sj延时时间调整为5s,第四次dcs发工频切变频命令,切换成功,但变频器捕捉再起动时间更长,经过约100s,电机才达到了正常额定转速1000r/min,不能满足炉膛压力的需要。
4.2.2 第二次调试(电机空载)
经过研究变频器的说明书,变频器具有应对旋转负载的特性,允许变频器测定已经处于运转状态的电机的速度,变频器可以向电机提供与旋转电机频率相同的输出电压,使得变频器供电时对电机的冲击最小。旋转负载特性分为2个阶段。在第一阶段,旋转负载操作自动进行,用户无须作任何调整。变频器监测电机磁通并能立即启动电机。这一阶段在电机磁通能在检测到时前一直持续。其典型情况,如果变频器禁止和重启动的时间间隔为3
到4个电机时间常数,则变频器能瞬间重启动。第二阶段包含一个扫描特性,在此期间,频率不同的固定电流加到电机上。变频器监测电机磁通,当电机磁通达到磁通阈值时,假定变频器所加频率等于电机的旋转速度,这个阶段需要对参数进行调整,以使“扫描功能”能够正常。也就是说,变频器若在3~4个电机时间常数内再起动,能够立即起动,于是,我们认为是sj延时过长引起变频器捕捉再起动时间慢。
修改控制参数,跳开j3后延时2s再合j1、j2,变频器自检时间约3s。
工频切变频试验(第五次):工频切变频启动成功,变频器立即自起,迅速升速至600r/min,变频输出由0hz加速至45hz用时20.9s,基本可以满足炉膛压力的需要。
[DividePage:NextPage]
4.2.3 第三次调试(电机带负载)
在2#炉一次、二次风机、2台引风机、高压返料风机全部开启、未投煤,锅炉负荷100t/h的工况下,对工频切变频控制回路进行改造调试:跳j3后立即合j1,延时2s合j2,缩短变频器起动的时间,已接近锅炉的实际工况试验。调试情况如下:
(1)变频切工频试验:在dcs发命令进行手动切换,命令发出后j1、j2跳闸,j3合闸,变频切工频成功。
(2)工频切变频试验:试验前工艺风门开度为40%,电机电流128a,变频输出给定为100%,由dcs发工频切变频命令,命令出口后,10s内变频器启动,升速到设定转速,切换过程中,炉膛负压在-0.6kpa~0.5kpa之间波动,炉膛联锁停炉的压力设定值为±2.5kpa以内,锅炉运转正常,切换成功。
(3)模拟变频器故障切工频:试验前工艺风门开度100%,炉膛压力-0.1kpa,2b#引风机风门投自动,人为按下变频器急停按钮,j1、j2跳闸,j3延时12s合闸,炉膛压力在0.4kpa~0.88kpa之间波动,2b#引风机挡板从0打开至12%,之后又回关至9%,切换成功。
(4)工频切变频:切换前参数为风门开度40%,电机电流128a,频率设定100%,dcs发出指令到切换完成恢复稳定用时34s,炉膛压力在0~1.3kpa之间波动,切换成功。
(5)变频切工频:切换前参数为风门开度100%,炉膛压力0kpa,切换指令发出后,j1、j2跳闸,j3延时13.8s合闸,炉膛压力在0~1.06kpa之间波动,切换成功。
(6)工频切变频:切换前引风机风门开度40%,电机电流128a,变频器给定100%,2b#引风机风门投手动,炉膛压力0kpa,切换命令发出后,j3跳闸,j1合闸,延时2s后j2合闸经32s变频器完成启动到电机转速完全恢复,切换过程中炉膛压力最高为0.8kpa,切换成功。
(7)上述3次变频切工频,3次工频切变频,调试结果均取得成功,可以保证切换过程中引风机连续运行,锅炉压力波动在允许范围内。但应指出以上是在锅炉未投煤,负荷100t/h的工况下的试验数据,若在锅炉满负荷410t/h运行工况下,工/变频的在线相互切换需经实际验证。
5 改造后效能分析及经济性评价
2009年2月,2a引风机变频器投用后,经过三个月的连续运行,情况一直十分稳定,节电效果十分明显,分析如下:
(1)2a#引风机电机功率由原来830kw下降至400kw左右,2b#引风机电机负荷保持不变,扣除变频器室空调等耗电20kw,相对于变频改造前,该电机运行一天可节电:(830-400-20)×24=9840kw·h,每年(按运行330天算)可节约电能:9840×330天= 3247200 kw·h,按平均外购电价约0.72元/kw·h(含税)算,每年可节约电费233.8万元,完全达到了预期的节电效果。
(2)变频改造后,该厂供电标煤耗由360g/kw.h,下降了0.8g/kw·h,一方面提高了技术经济指标水平,另一方面按年发电5亿kw·h算,煤价按600元/t算,全年可节约用煤400t,节约燃料成本约24万元。
(3)按照单台变频器投资约250万元,不到一年即可收回全部投资。另一台cfb锅炉的1a引风机的变频改造将在2009年下半年cfb锅炉检修时进行。
6 结束语
通过以上分析,可以得出以下结论:
(1)风机经过变频改造后,节电效果十分明显,虽然一次投资大些,但一年的投资回收期足可以弥补一次投资大的不足。该热电厂1台引风机改造后,cfb锅炉另1台引风机的风门开度只有40%左右,另外,一次风机的风门开度为58%,二次风机的风门开度为43%,能耗依然严重,节电潜力很大,建议尽早投资改造为变频运行。
(2)本次引风机变频改造,满足了该热电厂为化工厂连续供热供电的要求,实现了在线工/变频互相切换功能,完全可以保证电厂锅炉连续正常运行,解决了电厂变频器无法在线从工频切回变频的难题,特别适用于长周期连续运行的热电厂。
京公网安备 11011202001138号
