1 装置结构与功能
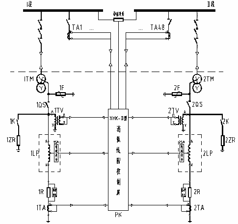
XHK-II型成套装置由接地变压器、有载消弧线圈、微机自动调谐及选线装置、阻尼电阻及控制器四部分组成。图1为系统结构图。

图1 系统结构图
1.1接地变压器
10kV配电网变压器绕组为△接法,无中性点引出,需要接地变压器引出中性点。Z型变压器通常用作对Y/△电力系统二次侧人为制造中性点,其最大特点是零序阻抗小,单相接地故障发生时,零序电压在接地变上的压降很小,95%的电压加在消弧线圈上,具有很好的补偿能力。二次可代所用变使用,节省投资。
1.2有载消弧线圈
是一带铁芯的电感线圈,设有9档到19档分接头,通过有载分接开关来调节分接头的位置改变消弧线圈的电感量。当系统发生单相接地时,流过消弧线圈的电感电流与流入接地点的电容性电流相位相反,接地弧道中的残留即为电感电流与电容电流的差值。调整电感电流,就可以使残留达到最小值,从而消除接地过电压。采用预补偿,即在系统发生单相接地前,消弧线圈已处于最佳补偿状态。
1.3 微机自动调谐及选线成套装置
控制器是自动调谐装置核心部件,由单片机和各种接口组成。可实现自动控制、手动控制、各种参数设置、打印等多种功能。自动调谐器是根据电网的脱谐度和残流的要求,经过采样比较,CPU处理后实现上述功能的。
1.4 阻尼电阻
自动调谐消弧线圈系统之所以能够实现在全补偿状态或很小脱谐度下运行,关键是在消弧线圈回路串入大功率的阻尼电阻。阻尼电阻是用来限制正常运行时的中性点位移电压和断线故障时的谐振过电压。当系统发生谐振时,保证中性点的位移电压小于15%相电压,维持系统的正常运行。当系统发生单相接地时,自动短接。阻尼电阻短接控制单元由单独的电路完成,采取电压电流双重保护。
2 选线方案DK
10kV系统中性点装设消弧线圈之后,当系统发生单相接地时,经消弧线圈补偿之后的接地点残流通常小于5A,10 kV出线零序CT二次侧电流很弱,容易受到干扰影响选线的准确性。并联电阻后,增加了零序电流的有功分量,采用独特的计算方法使选线准确率提高。
系统发生单相接地后,对瞬时接地故障,由于消弧线圈的补偿,接地弧道中残留很小,电弧自动熄灭,故障消失;如为稳定接地,延时60秒钟后(可调,大于瞬时单相接地故障恢复时间)由计算机控制开关合闸,投入并联的中值电阻,产生一定的有功电流流向接地线路。计算机对所有出线零序电流进行快速同步采样,通过快速傅立叶变换处理采样数据。几个周波后再控制开关断开,切除中值电阻。在并联电阻投入的时间内,零序电流信号差异相当显著,对高阻、低阻和金属性接地都能够准确识别。图2为工作流程图。

图2 工作流程图
3 实际应用中应注意的主要事项
(1) 经验表明,当脱谐度大于20%时,补偿效果不好;主要指残流大、故障相电压恢复上升速度慢(给绝缘恢复的裕度小)。
(2) 自动调谐消弧线圈的阻尼电阻在系统正常时起着消谐的作用,接地时必须短接,故作为阻尼电阻投切的可控硅运行状态至关重要,每隔一段时间应作相应的检查,防止击穿致使中性点电流增大。
4 结束语
我公司首次采用本系统运行情况表明,本系统能够保证消弧线圈成套装置安全运行,能够准确对系统电容电流进行补偿,运行效果良好。对于发生的单相接地故障,该消弧线圈自动跟踪选线装置利用DK选线方法,全部正确选出接地线路,很好地解决了消弧线圈接地系统的选线问题,有很高的实用价值。
京公网安备 11011202001138号
