1 引言
许多大型装备制造企业和造船行业普遍使用火焰切割机自动套料切割钢板,而电容高低调节器是切割机中必不可少的配套部件。该设备的主要功能是保证切割机的割炬头与被切割工件始终保持最佳切割距离,从而消除由于被切割工件的不平度变化而引起的加工精度误差,进而保证切割质量,同时也是自动切割必不可少的附属设备,切割机割矩和电容探头示意图如图1所示。由于切割机在工作过程中不能准确探知切割割炬与钢板的距离,这就必然影响钢板的切割质量。为了保证切割过程中割缝宽度均均,提高切割精度,采用一种2位数码管显示割炬与被切钢板的距离,这就可以在切割过程中实时监控割炬与钢板的距离,从而有效保证钢板的切割质量。

2 数显高低调节器的组成
2.1 电容传感器
数显高低调节器系统组成如图2所示。探头电路如图3所示。探头由直径80 cm的金属环做成,通过屏蔽线连接到电容传感器电路,电容传感器电路由晶体振荡器、高频检波器、比较运算放大器组成。晶体振荡器产生6 MHz频率,分两路,一路送往R4、D2、C5、R6组成的高频上检波器,另一路送往电容探头和由R5、D3、C6、R7组成的高频下检波器。两路高频信号经过高频检波后,经过差分电压比较放大,输出放大缓慢的电压,这一电压是变化的,因为电容环在相对金属板材高低运动过程中,从电容环反馈至R5、D3、C6、R7组成的高频下检波器的信号是变化的高频电压信号,经过检波输出的直流信号也是变化的缓慢的信号。当A1正端的变化信号与A1负端的不变信号电压比较时,将电容环对钢板感应的变化信号通过A1转换成缓慢的直流电压输出信号,为送往比较放大电路和阶梯比较电路作准备。


2.2 放大比较电路
放大比较电路如图4所示。来自电容传感器电路的变化直流信号送入A2放大器放大,A2的正端电压通过A3被R18和R20分压,A2的反向端直接接至VR2电位器中点,调节VR2电位器中点可改变A2反向端的电位,也就是改变A2的输出电压。来自电容传感器电路的变化直流信号电压和VR2电位器中点的直流电压叠加到A2的反向端,通过A2线性放大后,A2输出变化的直流电压,调节电位器VR2中点电压实际就是改变电容探头离钢板的实际探测距离。A2输出电压一路接A4的正向输入端,另一路接A5的反向输入端,调节VR3电位器中点电压,可同时改变A4的反向电压和A5的正向电压,D5起箝位电压作用。当A2输出电压跌落至D5箝位电压时,A4和A5之间无输出电压。当A2输出电压大于A4反向端电压时,A4输出高电平,D6发光二极管点亮;当A2输出电压小于A5正向输出电压时,A5输出高电平,D7发光二极管点亮,指示电容探头升高或降低。当手动/自动开关闭合时,A4和A5的电压能通过模拟开关M传输到D8和D9,以驱动后续的光耦电路。在自动状态下也可以进行手动上下调节,手动上下调节比自动上下调节优先级高,所以在实际工作现场,处于自动状态时如果遇到紧急状态,可以手动人工紧急干预,按上升键或下降键,以免碰到钢板或障碍物造成事故发生。

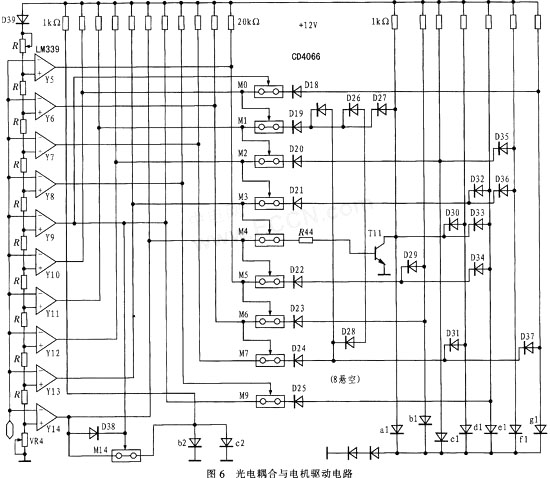
2.3 光电耦合与电机驱动电路
光电耦合与电机驱动电路如图5所示。来自放大比较电路的高低调节信号通过光耦G1和G3送到功率驱动电路,光耦的作用是把电机驱动电路与放大比较电路隔离,将强电与弱电分离。这样电机干扰和现场干扰就不会进入放大比较电路。

当上升信号通过G1时,发光二极管D10导通发亮,并在R27电阻上建立电压,该电压加在三态门S1的2引脚和三态门S4的12引脚。与此同时,由于G3无信号,发光二极管D12截止,在R29电阻上就无法建立电压,该低电平信号通过S2三态门,输出给S1三态门控制端,S1三态门选通。在S1导通的同时,被选通的S4输出信号加到S3三态门控制端。封锁S3三态门导通。这种状态是S1、S2、S4选通。
当下降信号通过G3时,D12导通发亮。并在R29电阻上建立电压。该电压加在三态门S3的9引脚和三态门S2的5引脚。与此同时,由于G1无信号,D10截止,在R27电阻上就无法建立电压,该低电平信号通过S4三态门,输出给S3三态门控制端,S3三态门选通;在S2导通的同时,被选通的S2输出信号加给S1三态门控制端,封锁S1。这种状态是S2、S3、S4选通。
再来看直流电机M正反转的情况。当S1、S2、S4选通时,T1、T5、T6、T4、T10导通;T2、T7、T3、T8、T9截止,此时由于T6和T10导通.整流的直流110V电压直接加在电机两端,电机正转,电容探头提升;当S2、S3、S4选通时,T2、T7、T3、T8、T9导通;T1、T5、T6、T4、T10截止,此时由于T9和T7导通,整流的直流110 V电压直接加在电机两端,电机反转,电容探头下降。
若电路受到外界电磁干扰或者误操作同时按动“上升”和“下降”按钮,就有可能导致G1和G3同时选通,但由于74LS125三态门具有保护作用,只允许上升信号或下降信号一个信号通过。电路具有互锁性,从而避免烧坏后续的驱动管。当电机的电流超过T6、T7或T9、T10驱动管的额定电流时,就有可能烧坏驱动管,为了避免烧坏驱动管,该电路设计采用74LS125三态门互锁,并在T7和T10发射极增加采样电阻,当采样电压超过光耦的导通电压,光耦的输出就会把调高的信号电压短路,使信号电压不能通过G1或G2,这样对驱动管具有保护作用。
2.4 阶梯比较译码显示电路
在火焰切割中,割炬与钢板的切割距离为5mm~8mm时,切割效果最佳。为了显示割炬与钢板的最佳距离,采用二极管译码电路。图6左边是阶梯比较电路,右边是一组模拟开关和二极管译码电路,其中,a1、b1、c1、d1、e1、f1、g1是个位数的七段发光数码管,b2、c2是十位数的发光二极管,只能显示1,整个电路可以对4~14个数字进行译码显示。采用共阴极七段发光数码管。

当电容探头下降时,电容传感器电路输出的电压信号很小,小于Y14比较器
当电容探头继续下降时,电容传感器电路输出的电压大于Y14比较器的负向电压,小于Y13比较器正向电压时,Y5~Y14输出高电平,M14、M0~M9模拟开关全部输出高电平,T11晶体管导通;T11晶体管的导通使二极管D30、D33二极管对地导通,从而使a1、d1、e1得不到导通电压,a1、d1、e1不发光,此时两位数码发光二极管显示为“14”。
当电容探头再下降时,电容传感器电路输出的电压大于Y13比较器正向电压,而小于Y12比较器正向电压,此时只有Y13输出低电平,Y14器输出高电平,b2、c2发光二极管点发亮;而Y13输出低电平时,同时M4封锁,M4不能选通,只有M3选通,Y13的低电平拉低D32、D36阴极电位,同时也拉低D32、D36阳极电位,使e1、f1达不到点亮电压,此时,b2、c2和a1、b1、e1、d1、gl发亮,两位数码发光二极管显示为“13”。
电容探头继续下降,电容传感器电路输出的电压大于Y12比较器正向电压,而小于Y11比较器正向电压时,Y12输出低电平,Y14输出高电平,b2、c2发光二极管发亮;Y12输出低电平的,同时M3封锁,M3不能选通,只有M2选通,Y12的低电平拉低D35阴极电位,同时也拉低D35阳极电位,使c1、f1达不到点亮电压,此时,b2、c2和a1、b1、d1、e1、g1发亮,两位数码发光二极管显示为“12”。
电容探头继续下降,电容传感器电路输出的电压大于Y11比较器正向电压,而小于Y10比较器正向电压时,Y11输出低电平,Y14输出高电平,b2、c2发光二极管点亮;Y11输出低电平时同时M2封锁,M2不能选通,只有M1选通,Y11的低电平拉低D26、D27、D31、D32、D36、D37阳极电位,使a1、d1、e1、f1、g1达不到点亮电压,此时,b2、c2和b1、c1发亮,两位数码发光二极管显示为“11”。
电容探头继续下降,电容传感器电路输出电压大于Y10比较器正向电压,而小于Y9比较器正向电压时,Y10输出低电平,Y14输出高电平,b2、c2发光二极管发亮;而Y10输出低电平时,同时M1封锁,M1不能选通,只有M0选通,Y10的低电平拉低D18阳极电位,使g1达不到点亮电压,此时,b2、c2、a1、b1、c1、d1、e1、f1发亮,两位数码发光二极管显示为“10”。
电容探头继续下降,电容传感器电路输出电压大于Y9比较器正向电压,而小于Y8比较器正向电压时,Y9输出低电平,Y8输出高电平,封锁M14,使b2、c2发光二极管不发光;Y9输出低电平时,M0封锁,Y9的低电平通过M9模拟开关拉低D25阳极电位,使e1达不到点亮电压,此时a1、b1、c1、d1、f1、g1发亮,个位数显示为“9”。
电容探头继续下降,电容传感器电路输出电压大于Y8比较器正向电压,而小于Y7比较器正向电压时,Y8输出低电平,Y7输出高电平,Y8输出低电平时,M9封锁,此时,译码二极管全部处于悬空状态,a1、bl、c1、d1、e1、f1、g1七段发光管全部点亮,个位数显示为“8”。
电容探头继续下降,电容传感器电路输出电压大于Y7比较器正向电压。小于Y6比较器正向电压时,Y7输出低电平,Y6输出高电平,而Y7输出低电平时,M8封锁,Y7的低电平通过M7模拟开关拉低D31、D32、D36、D37阳极电位,使d1、e1、f1、g1达不到点亮电压,此时a1、b1、c1发亮,个位显示为“7”。
电容探头继续下降,电容传感器电路输出电压大于Y6比较器正向电压,而小于Y5比较器正向电压时,Y6输出低电平,Y5输出高电平,Y6输出低电平时,M7封锁,Y6的低电平通过M6模拟开关拉低D23阳极电位,使b1达不到点亮电压,此时a1、c1、d1、e1、f1、g1发亮,个位数显示为“6”。
电容探头继续下降,电容传感器电路输出电压大于Y5比较器正向电压时,Y5输出低电平,N6封锁,Y5的低电平通过M5模拟开关拉低D29、D34阳极电位,使b1、e1达不到点亮电压,此时a1、c1、d1、f1、g1发亮,个位显示为“5”。
通过以上对阶梯比较和泽码显示电路的详细解剖分析,可以看出。随着割炬的下降,电容传感器电路输出的信号电压随之上升,每步进上升一步电压,比较器输出电压就为低电平,同时封锁下一级模拟开关,唯独Y14不同,因为其正端和负端与其他的比较器接法不同。为了使数
3 结束语
在火焰切割机自动套料切割钢板中,数显电容高低调节器能把割炬与钢板的距离直观定量地显示出来,可降低操作者的劳动强度,具有定位距离可调、切割精度和自动化程度高、安全可靠等特点。通过多年的实际应用,该系统使用效果很好。
京公网安备 11011202001138号
