说到机械安全,安全等级绝对是绕不开的话题。无论是曾经的EN954-1还是现在的ISO 13849-1,都详细描述了不同安全等级的定义。
在设计一台设备的安全控制回路时,电机控制部分可以通过切断电机的电源或者控制器的STO端(安全扭矩关断),使其达到相应的安全等级。
你知道气动控制部分该如何实现不同的安全等级吗?

气动回路的主要参考标准
气动回路主要涉及的标准是ISO 4414(GB/T 7932-2017)-《气动 对系统及其元件的一般规则和安全要求》,和安全等级相关的部分还是要参考ISO 13489-1(GB/T 16855.1-2018)-《机械安全 控制系统安全相关部件 第一部分:设计通则》的相关内容。
安全控制系统的架构
安全控制系统的架构可以分为五个类别,分别是类别B,类别1、类别2、类别3和类别4,安全控制系统的架构是决定其性能等级的重要因素之一。
其中类别B是基本等级,所有等级都必须满足类别B的要求;类别1的抗共因失效的能力高于类别B;类别2除了使用可靠的元器件外,必须设计为通过机械控制可在合适的时间间隔内自动测试系统的安全功能;类别3的控制系统需要设计为单一故障不会导致安全功能的丢失;类别4除了要达到单一故障不会导致安全功能的丢失,而且在执行下一次安全功能前需要检测到单一故障。
选对产品,轻松实现不同安全等级的气动回路
皮尔磁的PNOZ multi系列可编程安全控制器在软件上集成了经过认证的安全阀输出功能块,可将安全阀与阀芯位置监控等信号连接到安全控制器上,通过使用认证的软件功能块可以帮助用户快速实现不同安全等级的气动回路。

气动控制回路不同安全等级的实现方法
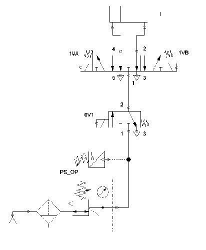
● 类别B/1,安全等级PL a到c
Ø 气缸的运动通过一个循环动作的换向阀(1VA/1VB)来实现
Ø 通过PS_OP压力开关检测压力,当检测到压力不足时,将阻止启动
Cat. B/1的两种实现方式:
①通过总阀0V1关闭气源和防止意外启动
②通过1VA和1VB关断气缸气源,防止意外启动

由于阀未经过测试,因此安全功能丢失(阀控制失效)可能会发生,并无法被检测出来。
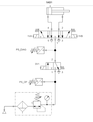
● 类别2,安全等级PL a到d
方式一:
Ø 气缸运动由换向阀(1VA/1VB)控制,阀门的安全功能通过机器控制以及每次启动过程进行测试
Ø 活塞的运动由位置开关(1AS2)监控
Ø 换向阀的失效不会影响测试功能,反之亦然
Ø 如果机器控制检测到换向阀丢失,则通过关闭阀门0V1来停止机器
方式二:
Ø 气缸的往复运动由换向阀(1VA)控制
Ø 0V1每次接通前后都需要检测一遍阀芯的位置(S1)状态
Ø 如果检测到阀芯位置(S1)有异常,则立马关断0V1切断气源
方式二与方式一的区别在于主气源部分使用了带阀芯位置监控功能的安全阀(0V1)控制,阀门的安全功能直接通过检测阀芯位置(S1)是否动作到位来实现。
● 类别3,安全等级PL a到e
Ø 气缸的运动由控制阀0V1和1VA/1VB控制
Ø 阀0V1通过压力开关PS_DIAG进行监控
Ø 阀1VA/1VB循环用于动作控制;如果阀门出现故障,机器将检测到动作故障并停止工作,因此该阀门由动作状态进行监控(例如通过末端执行器上的位置开关1AS1)

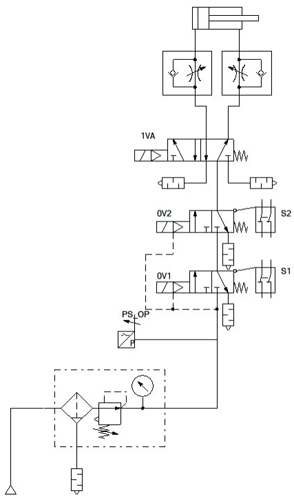
● 类别4,安全等级PLe
Ø 气缸的往复运动由换向阀1VA控制,安全功能由带阀芯位置监控功能的安全阀0V1&0V2控制
Ø 0V1&0V2每次接通前后都需要检测一遍阀芯的位置(S1&S2)状态
Ø 如果检测到阀芯位置有异常,则立即关断0V1&0V2切断气源

另外,气动回路的安全还应考虑到切断气源时不可带来衍生的伤害,例如垂直运动的气缸因为失压自由下落或者工件夹爪的松开造成工件的掉落等等;更多的内容可以参阅ISO 4414(GB/T 7932-2017)-《气动 对系统及其元件的一般规则和安全要求》标准进行了解。
京公网安备 11011202001138号
