摘要:
本文介绍了采用三菱公司PLC对1250离心机电控系统进行技术改造,实现变频器调速并详述了该系统设计。实践运行结果表明,该系统运行稳定、操作简便,能满足生产工艺要求。
关键词:
PLC 离心机 变频调速
1.前言
1250离心机是立式刮刀卸料自动过滤离心机,主要用于固相为颗粒状悬浮物料固液相分离,也可用于纤维状物料固液相分离。矿物、环保、医药、化工等行业中广泛应用。目前多数离心机仍由继电器控制,采用有级调速,离心机工作转速调节单一、设备故障率较高,生产效率低下。为克服这些问题,我们对制药厂1250离心机电控系统进行技术改造,采用PLC控制和变频器调速,该系统自动化程度高、稳定性好,运行可靠,现已成功应用于多家制药厂。
2.系统原理
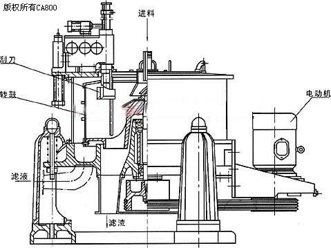
离心机工作原理是将待分离物料经进料管送入高速旋转离心机转鼓内,离心机力场作用下,物料滤布(滤网)实现过滤,液相经出液管排出,固相则截留转鼓内,待转鼓内滤饼达到机器规定装料量,停止装料,对滤饼进行洗涤,同时将洗涤液滤出,达到分离要求后,离心机低速运转,刮刀装置动作,将滤饼刮下,完成一次工作循环。图1为1250离心机结构图。
离心机离心工艺过程:1)进料:当变频器速度达到20Hz时,首先打开进料阀、料层检测阀,当检测到料层满时,关闭进料阀并延时10S,料层满信号消失再次打开进料阀连续执行上述动作2次。2)离心:当第三次料满信号产生时,关闭进料阀变频器升速至50Hz进行高速分离,离心时间可由触摸屏设置,时间到后变频器降速至40Hz。3)清洗甩干:打开清洗阀进行清洗,清洗时间、暂停时间和清洗次数所分离药物品种由触摸屏设置。清洗工艺完成后进入甩干过程,变频器升至50Hz,甩干时间由触摸屏设置。时间到后进入卸料状态。4)卸料:甩干后料层过厚,刮刀采用分段定时旋转卸料,即刮刀旋转(时间可设置)→ 停2秒 → 刮刀下降(下降高度可设置),重复上述动作,直至最后一次刮刀下降至下限感器动作,然后上升到顶部至上限位停止动作。 
3 系统设计
3.1硬件设计
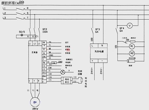
系统采用三菱公司FX2N-40MR型可编程序控制器(PLC)控制,当程序设定好后可进行无人看护自动化操作或选择手动控制,并对加料、初过滤、洗涤、精过滤、卸料等进行全过程监护。离心机调速采用PLC+D/A模块、变频器进行调速,电压(0-10V)来控制变频器频率,变频器采用德国伦茨公司EVF系列变频器,功率22KW。触摸屏采用EASYVIEW 5.7英寸4灰度触摸屏。
PLC共有20个输入点,15个输出点。图2为PLC外部硬件配置图。控制系统主回路及变频器外部接线如图3所示。 

其中为消抖防信号干扰,输入点X11、X12、X13、X14、X15、X16、X17、X20分别经4个隔离栅接入PLC输入
3.2软件设计
编程采用编程软件MELSECMEDOC专业软件包,它基于个人计算机,适用于三菱公司PLC用户程序编制和监控,SC-09RS232/RS422接口与PLC编程口相连,可用梯形图或指令编程。本系统PLC梯形图程序控制要求采用STL和SET步进指令编制。主要有初始化设定,进料、分离、清洗、甩干控制程序、自动控制程序等。程序设计中采取安全保护有:转速检测,过振动保护,开盖保护,电机过载过热保护,刮刀旋转,升降机械电气双重控制,刮刀与转鼓联动锁定。程序流程图4所示。 
4.结束语
该系统多家药厂现场运行,结果令人满意各项指标满足现场技术要求。系统启动平稳,分离因数可调,操作简洁方便,自改造投入运行以来,运行稳定调速方便,免维护,为现场操作人员创造了一个高效率工作环境,实现了1250离心机较为先进控制技术。
京公网安备 11011202001138号
